二极管检波电路

二极管检波原理.二极管检波,二极管有单向导电的特性,它只允许
图片尺寸1080x2408
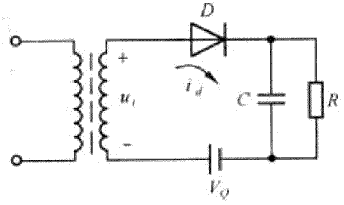
1.24二极管峰值包络检波电路
图片尺寸1920x1080
按钮一:二极管大信号包络检波器的基本组成与工作原理
图片尺寸1080x810
二极管检波电路原理图反接检测电路图心电图峰值检测原理图峰值检波
图片尺寸1042x460
检波二极管
图片尺寸490x293
二极管信号检波器
图片尺寸2250x1194
肖特基二极管在开关电源中的作用,如何优化肖特基二极管性能?
图片尺寸3124x2464
二极管包络检波电路的设计
图片尺寸1080x810
在上图中,二极管在门电路中扮演着至关重要的角色
图片尺寸636x1149
实验六二极管包络检波电路资料
图片尺寸728x386
19种常见的二极管应用电路
图片尺寸808x1093
检波二极管
图片尺寸320x174
晶体二极管
图片尺寸433x219
课设3
图片尺寸3307x4677
图示为整流电路,由于二极管的单向导电特性,在交流电压正半周时二极管
图片尺寸425x281
小信号情况下,