互锁电路图

展开全部 如图就这样,两个接触器做好互锁就好.
图片尺寸1080x801
电气互锁控制电路图
图片尺寸444x441
互锁电路 - 知乎
图片尺寸886x584
什么是互锁电路?
图片尺寸512x369
互锁电路原理图,电路基础知识,电工必备基础电路
图片尺寸2976x2761
电动机正转点动加连续 反转连续机械互锁电路图
图片尺寸736x552
两个电动机互锁的电路图.要求电动机m1启动时m2停止,m2启动时m1停止.
图片尺寸450x448
求继电器互锁电路图
图片尺寸871x580
三个接触器只能两个同时工作怎么互锁
图片尺寸960x1280
10路按键转互锁输出芯片
图片尺寸829x641
什么是互锁?什么是自锁?
图片尺寸534x419
电工机 - 热门商品专区
图片尺寸2268x1113
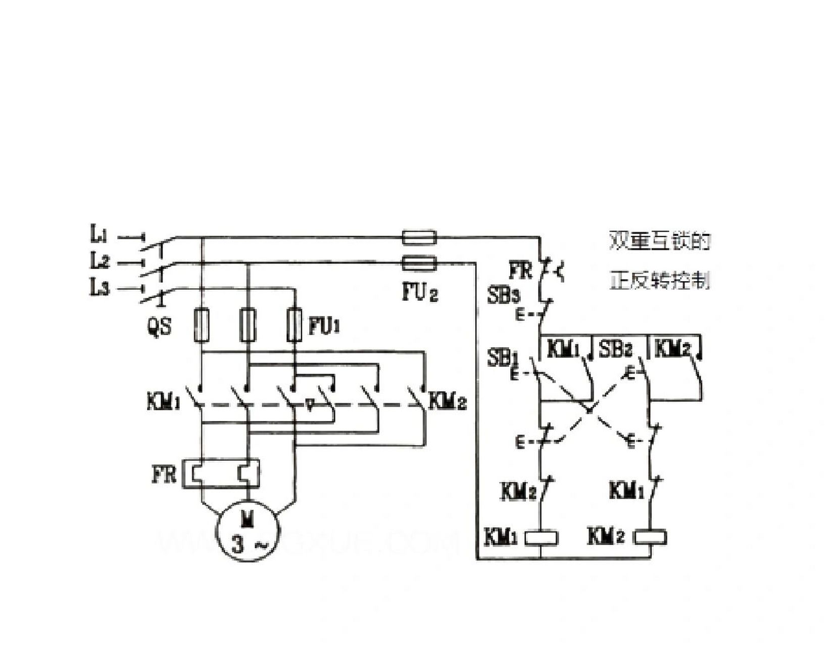
三相电动机按钮,接触器双重互锁的正反转控制线路 如下右图所示为
图片尺寸1643x1280
两个继电器互锁电路图
图片尺寸536x302
互锁原理图
图片尺寸640x383
三项电源接触器互锁电路
图片尺寸840x540
三相异步电动机的双重互锁控制电路接线图
图片尺寸1143x1184
电气互锁控制电动机
图片尺寸448x313
电机正反转接触器互锁电路图
图片尺寸754x455
按钮互锁 接触器互锁的接法 最好有图 谢谢
图片尺寸485x372