五脚开关原理图

五个开关控制一盏为灯请画个接线图
图片尺寸486x225
5孔开关面板接线,红青黄3跟线,4个接线端子,开关控制应该怎么接
图片尺寸650x576
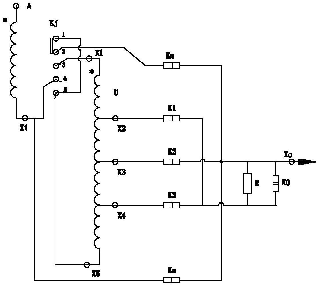
一种用于变压器调压电路的五脚极性开关电路
图片尺寸1112x996
五控开关怎么接线
图片尺寸600x550
五脚继电器接线图 - 搜狗图片搜索
图片尺寸600x421
电器是怎样启动的许多电器都能通过一个按钮而让机器
图片尺寸600x450
五脚继电器接法
图片尺寸501x305
五个开关控制一盏灯,视频教程
图片尺寸467x192
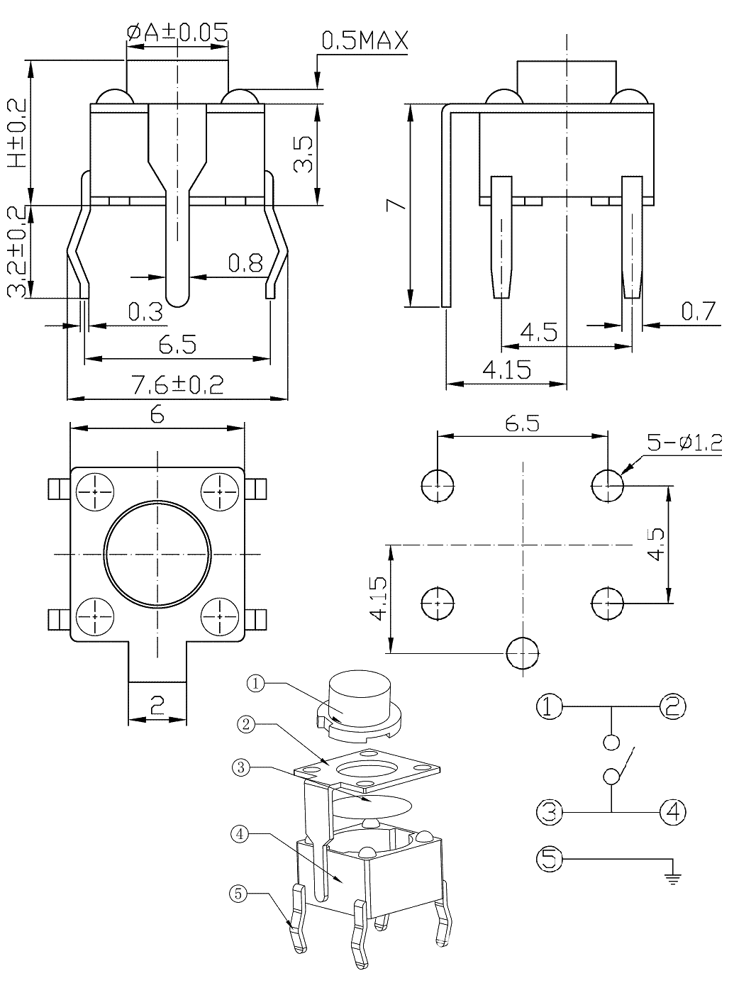
按键开关5脚贴片/轻触开关五脚贴片/按钮开关贴片式5脚
图片尺寸1035x1386
5脚12v继电器工作原理
图片尺寸500x497
供应五向轻触开关五向按键开关多功能五向轻触按键7x7五向开关
图片尺寸1322x710
求助各位高手,我家有一个一开五孔插座,想让开关只控制一个吸顶灯
图片尺寸640x854
开关接线原理图_单控双控开关接线图_燃气热水器安装示意图
图片尺寸560x374
正拨ss-12d07拨动开关 五脚拨动开关 电子玩具电源滑动开关
图片尺寸750x400
5脚继电器双闪光器原理解析
图片尺寸619x539
其他回答 就是加一个三档开关难就行了 | 发布于2013-06-02 评论
图片尺寸720x540
五根线的开关怎么接线
图片尺寸500x362
一个五孔开关,电源一火一零,开关上有l,n,l1和l11和l12,我想开关控制
图片尺寸600x447
五脚拨动开关两端引脚的用处?
图片尺寸735x744
百度爱采购首页 商品专题_开关开关目前家里的灯接线原理就入上图,说
图片尺寸552x349