交流回路

想问的就是主电路中三根相线(l1,l2,l3)间到底是如何形成闭合回路的呢
图片尺寸3264x2448
电动机交流接触器启停控制接线图
图片尺寸670x502
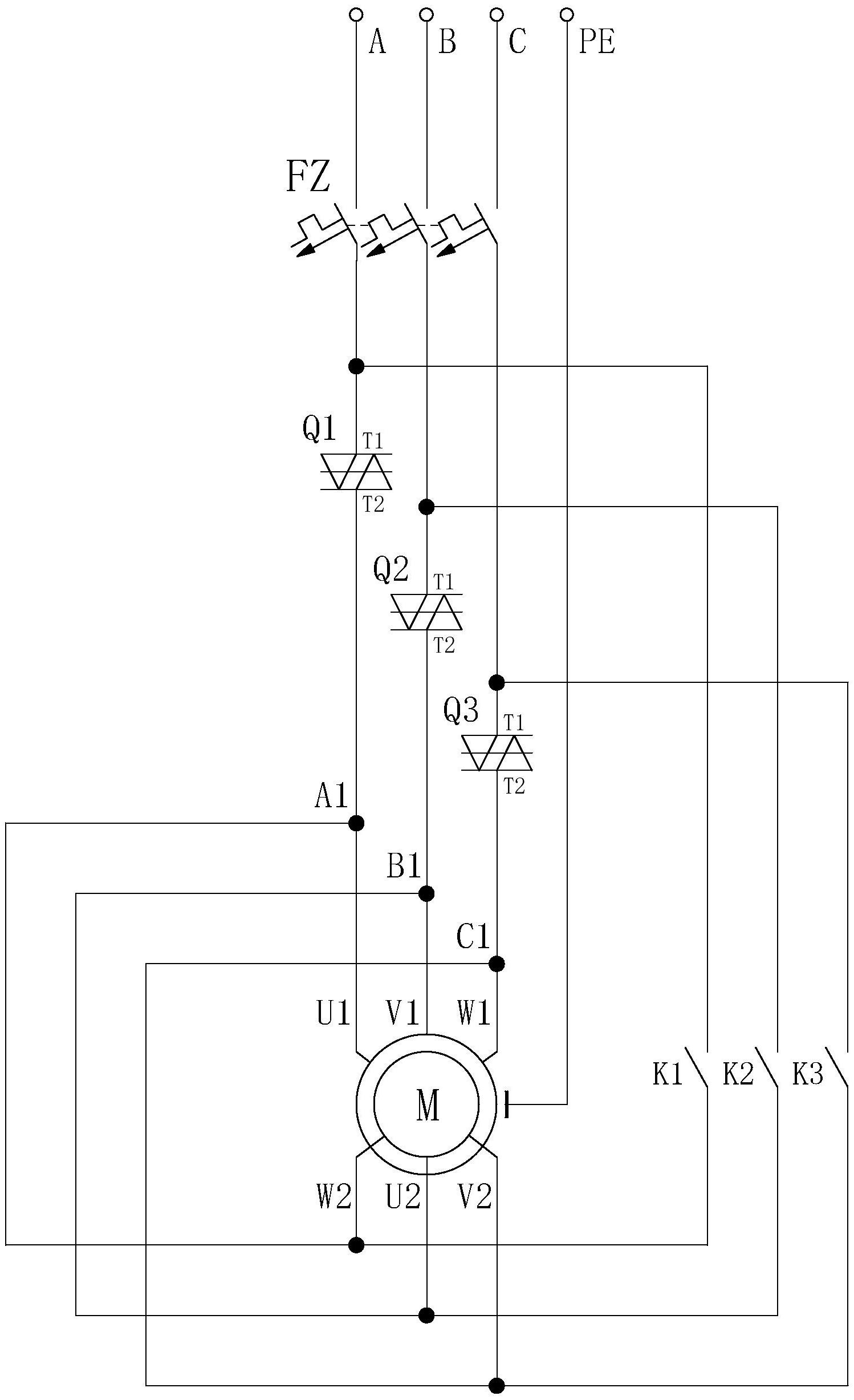
一种三相交流电机的启动电路
图片尺寸1498x2454
正弦交流电路,电容元件上的电压最大时,电流怎么变化
图片尺寸472x267
精品干货二次回路之交流回路百页ppt
图片尺寸1080x828
无忧文档 所有分类 工程科技 电子/电路 7三极管及单管放大电路 交流
图片尺寸1080x810
讨论一 画出图示电路的直流通路和交流通路. 将us短路,即为直流通路.
图片尺寸1080x810
单管交流放大电路实验
图片尺寸923x937
晶体管是电流驱动元器件,这个电路交流信号产生电流是因为r2是吧
图片尺寸590x486
图4-12 双管电压放大电路交流回路
图片尺寸457x266
三相交流负载的连接方式
图片尺寸371x280
认识汽车交流发电机
图片尺寸1182x599
高效可靠的直流到交流转换电路
图片尺寸1989x1125
一个完整的三极管电路分析有四步:直流电路分析,交流电路分析,元器件
图片尺寸1043x645
三极管的交流等效电路为什么不是下面那个啊
图片尺寸450x467
2 单相交流调压电路
图片尺寸1323x773
【实例1】 如图1-11所示,在三相380v交流电源上接有功率为7.
图片尺寸640x384
2-4.5电容器在交流电路中的作用教科版课件
图片尺寸512x384
交流变直流为什么是14倍
图片尺寸640x384
北京航空航天大学电气技术实践ppt-----2工频交流电源应用系列实验
图片尺寸1080x810