产品标准

p>《标准编写规则—第10部分:产品标准》(gb/t 20001.
图片尺寸1653x2338
桥梁专用产品标准汇编(三)/中华人民共和国交通运输行业标准
图片尺寸1000x1469
中国茶叶产品标准(国标&行标卷)
图片尺寸800x800
中华人民共和国交通运输行业标准:桥梁专用产品标准汇编
图片尺寸578x800
p>《电子商务交易产品信息描述—茶叶》(gb/t 38126-2019)是2020年5
图片尺寸2326x1645
p>《生态设计产品评价规范—第1部分:家用洗涤剂》(gb/t 32163.
图片尺寸1656x2338
祝广州友田产品获广东省"采用国际标准产品认可证书"和"采用国际标准
图片尺寸554x583
产品aql抽样允收标准规定
图片尺寸1080x810
企业产品采用国际标准认可证书
图片尺寸427x600
产品标准gb和qy的区别(质量知道gbgb)(2)
图片尺寸640x450
p>《绿色产品评价—涂料》(gb/t 35602-2017)是2018年7月1日实施的
图片尺寸4783x6766
p>《生态设计产品评价规范—第2部分:可降解塑料》(gb/t 32163.
图片尺寸1656x2338
国际有机产品标准比对
图片尺寸518x800
食品安全国家标准食品添加剂使用标准
图片尺寸268x268
亚马逊磁性产品认证标准16cfr1262.亚马逊磁性产品16 - 抖音
图片尺寸1000x1000
正版现货 桥梁专用产品标准汇编(三)中国公路学会桥梁和结构工程分会
图片尺寸800x800
农村公共产品供给标准论
图片尺寸800x800
p>《地理标志产品—庞寨黑叶荔枝》(db4453/t 10-2021)是2021年6月20
图片尺寸2481x3508
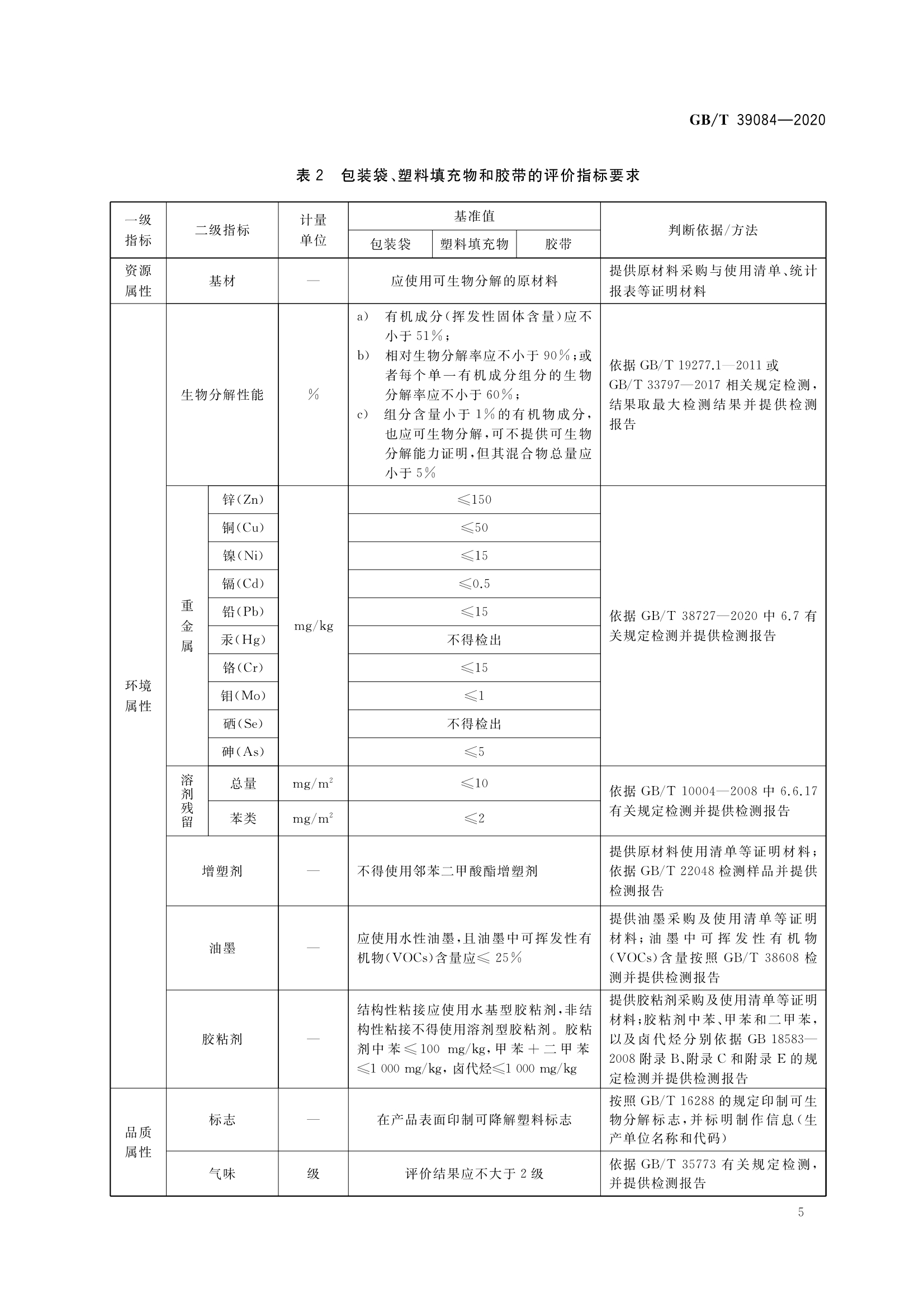
p>《绿色产品评价―快递封装用品》(gb/t 39084-2020)是2020年10月1
图片尺寸1653x2338
gb 9685-2016 食品安全国家标准 食品接触材料及制品用添加剂使用标准
图片尺寸800x800