伏安特性电路图

如图为"测绘小灯泡伏安特性曲线"实验的实物电路图,已知小灯泡额定
图片尺寸850x718
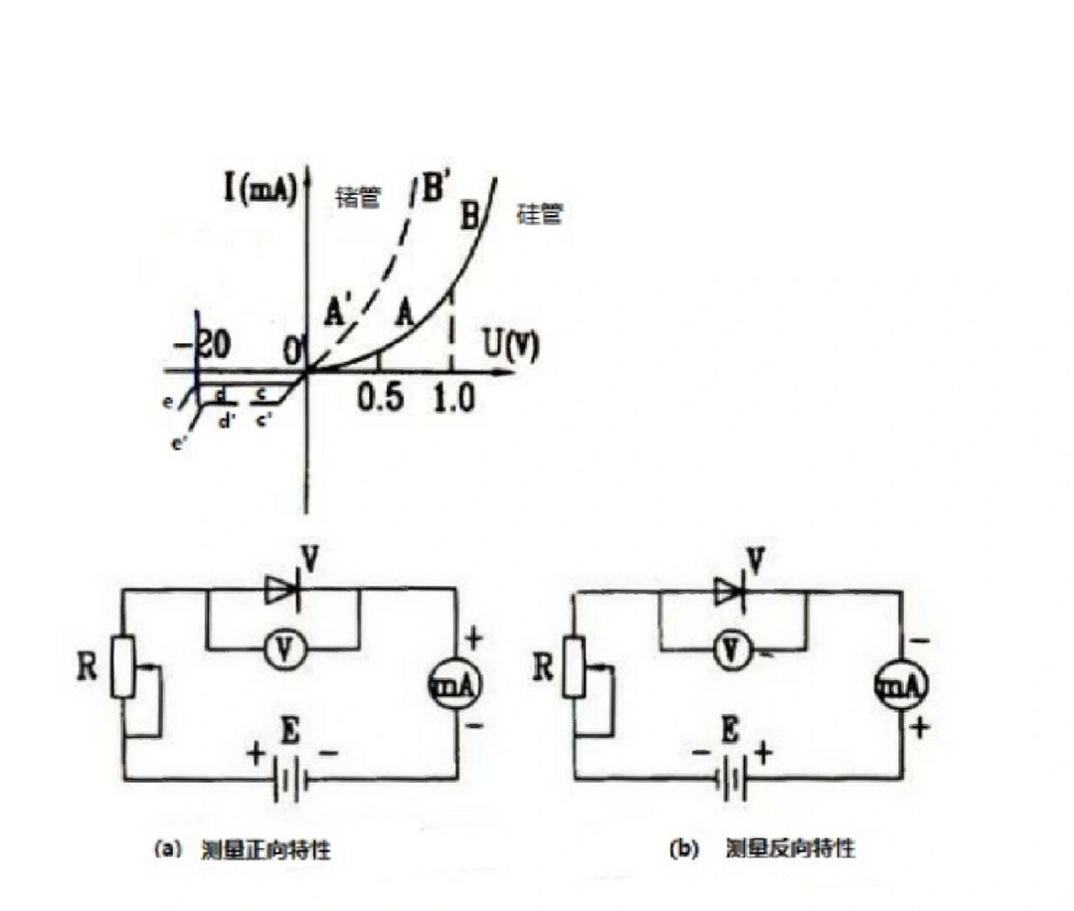
实验图解二极管伏安特性曲线和主要参数 二极管伏安特性曲线 二极管
图片尺寸1510x1280
在"描绘小灯泡的伏安特性曲线"的实验中,可供选择的实验仪器如下:小
图片尺寸633x810![[问答题] 绘图题:画出测试二极管正向伏安特性的电路.](https://i.ecywang.com/upload/1/img0.baidu.com/it/u=1255868094,649990437&fm=253&fmt=auto&app=138&f=JPEG?w=487&h=244)
[问答题] 绘图题:画出测试二极管正向伏安特性的电路.
图片尺寸487x244
实验测小灯泡伏安特性曲线ppt
图片尺寸860x645
(8分)(2012·南通模拟)在描绘小灯泡伏安特性曲线的实验中,提供的实验
图片尺寸1887x1186
在测量电珠伏安特性实验中同学们连接的电路中有四个错误电路如图所示
图片尺寸1181x1121
描绘小灯泡的伏安特性曲线
图片尺寸593x565
【配套k12】高中物理第二章恒定电流实验描绘小灯泡的伏安特性曲线
图片尺寸524x242
二极管的伏安特性二极管正反向特性实验解决方案华强电子网
图片尺寸1582x766
二极管伏安特性的几种近似方法
图片尺寸4160x3120
如图所示a,b两管的伏安特性曲线,其中属于硅管的是().
图片尺寸514x529
本题考查伏安法测电阻实验,意在考查考生对电表,滑动变阻器以及电路的
图片尺寸752x746
如图为"测绘小灯泡伏安特性曲线"实验的实物电路图,已知小灯泡额定
图片尺寸302x276
某同学研究小灯泡的伏安特性,所使用的器材有:小灯泡l(额定电压3.
图片尺寸290x262
光电二极管的伏安特性曲线_原理图论坛_单片机电路论坛_mcu资讯论坛
图片尺寸845x825
描绘小灯泡的伏安特性曲线 1
图片尺寸366x224
9w的小灯泡伏安特性曲线,实验室中有以下器材可供选用,题中电压表改表
图片尺寸649x416
实验一测电阻和测绘小灯泡伏安特性曲线
图片尺寸758x307
线性电阻,白炽灯伏安特性测量电路二极管,稳压管伏安特性测量电路
图片尺寸400x165