传动齿轮轴草图

齿轮轴a3
图片尺寸820x601
一种齿轮传动轴的制作方法
图片尺寸1000x839
齿轮轴.dwg
图片尺寸1200x800
减速器齿轮与轴的工程图
图片尺寸4761x3305
精轧机组f1轧机主传动系统设计
图片尺寸830x654
齿轮轴-a3
图片尺寸708x500
齿轮传动轴乙.dwg
图片尺寸1200x800
je25-110开式双点压力机传动系统的设计
图片尺寸1200x800
零件图齿轮轴pdf
图片尺寸800x566
减速器齿轮轴-cad图纸
图片尺寸1921x1313
机械图纸之高速齿轮轴zip
图片尺寸800x600
a3-齿轮轴.dwg
图片尺寸1200x800
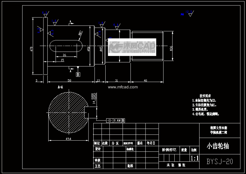
小齿轮轴
图片尺寸820x579
齿轮轴零件图
图片尺寸291x218
凸轮摆杆绕线机传动部分设计【13张cad图纸 文档全套文件】
图片尺寸1200x800
一级圆柱齿轮减速器从动轴
图片尺寸1238x1751
轴齿轮图
图片尺寸1143x795
一种平行轴齿轮传动结构的制作方法
图片尺寸1000x728
斜齿轮轴1.dwg缩略图
图片尺寸714x594
某传动轴cad构造完整平面图
图片尺寸610x432