位置度测量

零刻度线 量程 单位 分度值
图片尺寸1080x810
位置度测量方法
图片尺寸920x1303
十八,位置度测量方法
图片尺寸496x345
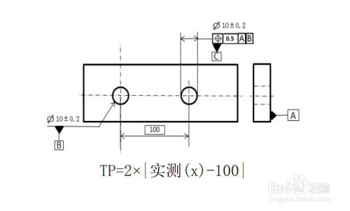
0公差位置度标注
图片尺寸3963x2598
位置度测量方法
图片尺寸893x487
页 (共48页,当前第14页) 你可能喜欢 位置度计算公式 位置度测量方法
图片尺寸1080x810
位置度_三坐标测量技术.ppt 12页
图片尺寸1152x864
位置度公差测量方法
图片尺寸811x424
三坐标测量方法中得位置度
图片尺寸1517x2069
高度尺测位置度测量方法
图片尺寸251x360
无忧文档 所有分类 高等教育 工学 形位公差ppt 6 位置度公差 位置度
图片尺寸1080x810
实验1箱体的位置度测量
图片尺寸709x865
复合位置度如何理解与测量
图片尺寸864x598
小学数学,位置与方向演示仪里面度数怎么标?
图片尺寸1600x1200
戴克伊gd&t 彩印手册(六)位置度
图片尺寸2930x2091
位置度公差测量方法
图片尺寸847x364
位置度测量方法
图片尺寸878x435
位置度的三坐标测量方法的实践
图片尺寸920x1307
任务五 垂直度误差,位置度误差的测量ppt
图片尺寸1080x810
几何公差(gdt)评价之位置度测量
图片尺寸500x302