位置度符号

位置度符号?
图片尺寸600x644
形位公差之位置度详解
图片尺寸800x600
gdt培训位置度你要知道的都在这里
图片尺寸585x291
形位公差符号 类 别 名 称 直线度 平面度 形 状 公 差 圆柱度 圆度
图片尺寸686x1066
如何用word打出位置度平面度符号
图片尺寸370x249
向 位 置定 公位 差 跳 动 平行度 垂直度 倾斜度 同轴度 对称度 位置
图片尺寸1080x810
矢量集合的角度 360 度签名图标,几何数学符号角度度圆图标角度线的
图片尺寸300x300
一个孔对另外一个孔的位置度,公差值前应该标直径符号么?
图片尺寸490x884
机械图纸每日一符位置度
图片尺寸726x544
公差类别 公差性质 真直度 真平度 (平面度) 真圆度 符号 公差类别
图片尺寸1080x810
专业解读——平面度与面轮廓度的区别
图片尺寸614x378
先给大家看重点,下面这张表是国际统一化的14项形位公差符号,这非常
图片尺寸1080x902
尖角45度图标矢量符号和符号隔离在白色背景上, 锐尖角度45度标志概念
图片尺寸700x700
14个形位公差的理解(尤其是位置度和轮廓度)?2.
图片尺寸766x318
红叫故宫红位置度有一种与生俱来的神秘感,低调奢华有内涵,其符号优雅
图片尺寸722x612
角aob=130度,角bod=110度,oc平分角aob,oe平分角aod,求角coe的度数.
图片尺寸489x426
2 m 也就是位置度后面有最大实体,其测量插杆怎么计算?
图片尺寸542x370
如何用word打出位置度平面度符号
图片尺寸800x600
形状或相互位置与理想几何体规定的形状和相互位置还不可避免地存在
图片尺寸2000x1116
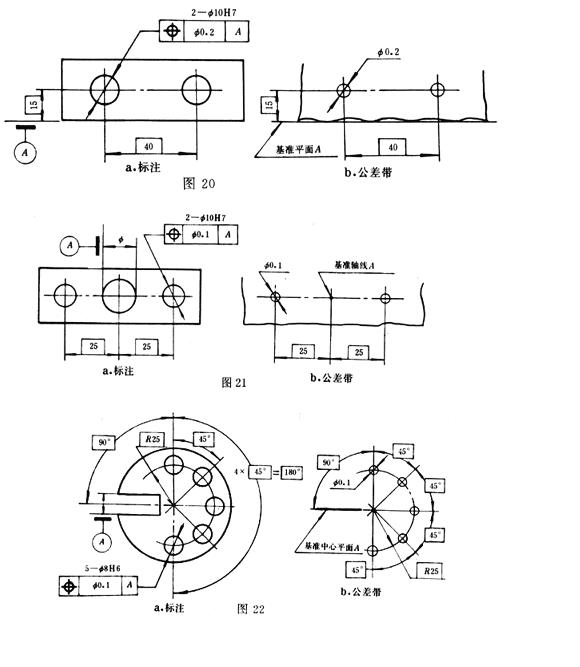
p>位置度是一个形体的轴线或中心平面允许自身位置变动的范围﹐即一
图片尺寸580x667