低压无功补偿接线图

配电间电容屏无功补偿的接线图
图片尺寸1329x1110
求380v无功自动补偿电容的纹路原理图?谢谢!
图片尺寸736x570
低压无功功率补偿装置接线图?
图片尺寸1024x455
低压无功自动补偿电路如图13-12所示.
图片尺寸1066x725
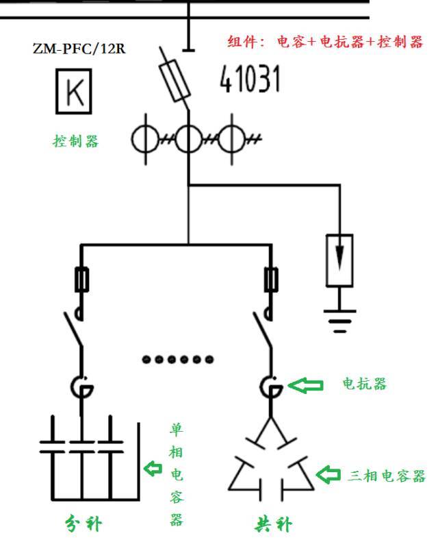
低压无功补偿
图片尺寸712x722
补偿电路
图片尺寸693x659
低压无功补偿柜 cgt系列tsc低压无功补偿装置 电容补偿柜
图片尺寸500x369
无功补偿示意图
图片尺寸760x431
无功静/动态自动补偿电路的工作原理
图片尺寸640x365
rpc7cs105智能电力电容一体机低压配电箱控制无功补偿
图片尺寸1443x599
cn212137294u_无功补偿系统有效
图片尺寸1752x1654
无功补偿柜接线
图片尺寸416x529
智能无功补偿控制器
图片尺寸2365x1233
无功功率自动补偿控制器(动态)jkfy-2d21f
图片尺寸700x676
所属版块: 电气工程 电气施工图 立即查看 常用高低压无功补偿
图片尺寸1233x857
低压无功补偿系统讲解,是每个电气人都该知道的常识,人手一份!
图片尺寸640x807
带预付费低压无功补偿接线原理图
图片尺寸619x452
无功功率补偿控制器
图片尺寸659x489
jkl4b无功功率自动补偿控制器
图片尺寸521x477
ggj低压无功智能补偿装置-成套设备_接线图分享
图片尺寸469x275