余热发电系统图

烧结余热发电工艺简介
图片尺寸1080x810
湖南永清余热发电技术
图片尺寸541x486
带补燃的低温余热发电系统的研究
图片尺寸3850x1228
超低温余热发电系统
图片尺寸1109x833
水泥纯低温余热发电集散控制系统
图片尺寸1076x659
应用案例高压变频器在烧结机余热发电系统中应用
图片尺寸682x434
余热发电原理
图片尺寸600x286
电动汽车热泵系统串并联余热回收试验研究
图片尺寸720x941
"单压低参数回热余热发电系统技术"热力系统示意图
图片尺寸1219x806
能源/化工 玻璃熔窑烟气余热发电技术 但是,玻璃熔窑余热发电系统
图片尺寸4015x1653
饱和蒸汽余热发电
图片尺寸900x578
(目录)2017年中国余热发电市场预测及投资咨询报告-产业研究预测
图片尺寸539x468
余热发电系统主机包括余热锅炉及冷凝式汽轮发电机组,矿热炉的高温
图片尺寸760x454
热电厂乏汽余热 exhaust waste heat
图片尺寸560x295
蒸气余热发电
图片尺寸536x414
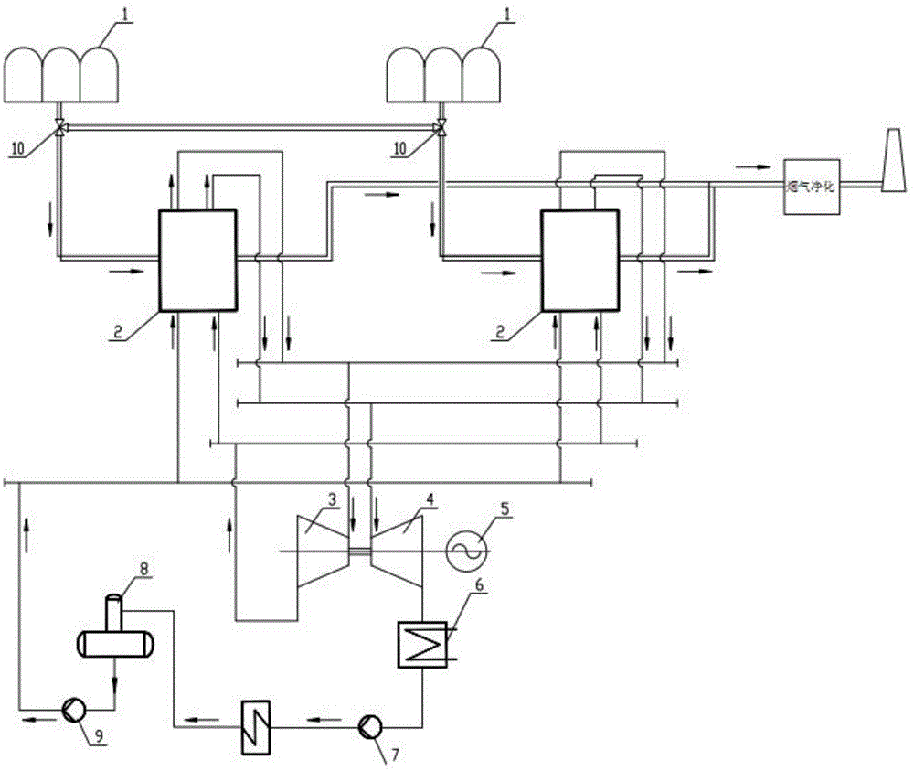
一种烟气余热发电系统
图片尺寸1000x843
典型的水泥行业低温余热发电系统流程图如下图所示:通过余热回收装置
图片尺寸786x451
主要技术优势水泥窑余热发电主要技术特点:1,经济合理的能流系统和
图片尺寸660x405
一种电厂余热利用热力系统技术方案
图片尺寸960x968
一种带稳流罐的余热发电系统的制作方法
图片尺寸1000x556