供暖换热站安装图

换热站工艺设计及设备选择,看完777个字,保证你收获不少
图片尺寸640x430
换热站示意图
图片尺寸1280x960
系统供暖 复杂的供暖系统,往往能达到最好的供暖效果 - 抖音
图片尺寸998x779
换热站远程监控系统|供暖热能统一调配 - 哔哩哔哩
图片尺寸4954x1923
你知道燃气热水炉双热源供暖系统吗?造价需要多少
图片尺寸583x531
换热站系统组成
图片尺寸643x420
供暖换热器示意图.jpg
图片尺寸1280x905
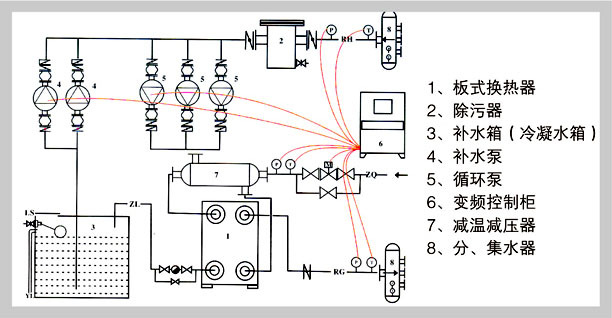
换热站
图片尺寸612x318
一种水热源集中供热换热站自动控制系统
图片尺寸1857x1063
一种集采暖和生活热水供应于一体的换热站系统
图片尺寸1653x793
换热站系统组成
图片尺寸504x527
采暖板换在集中供热换热站中的作用
图片尺寸686x436
板式换热机组
图片尺寸4957x4309
案例分享‖宝鸡市阳平镇新能源供热系统
图片尺寸1107x592
板式换热器应用于城市供热中
图片尺寸945x454
集中供暖示意图
图片尺寸640x304
换热站.png
图片尺寸760x566
一种集中供热换热站自动控制系统
图片尺寸1678x924
换热站设计.#热力设计#换热站 - 抖音
图片尺寸1030x697
艾络格智能数显温度变送器在换热站中的应用
图片尺寸650x435