保险丝原理图

24v继电器电路
图片尺寸1080x1070
15 全部评论 大家都在搜: 迅弛汽车钥匙,汽车电脑维修
图片尺寸1440x1540
继电器工作原理及注意事项
图片尺寸1092x1428
保险丝原理图.png
图片尺寸555x318
一文读懂ptc可复位保险丝的原理,选型及故障排查与维护指南
图片尺寸720x330
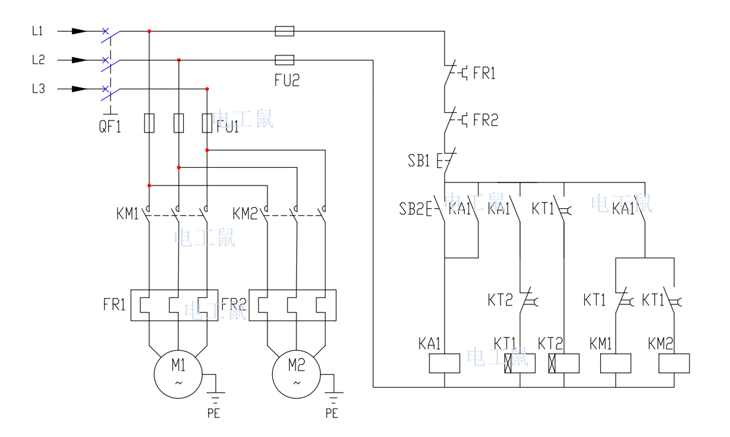
总电源:三根火线一根地线,一共四根线; 电压:三相3
图片尺寸1445x865
发动机舱保险盒ig2保险丝15a线路图
图片尺寸604x603
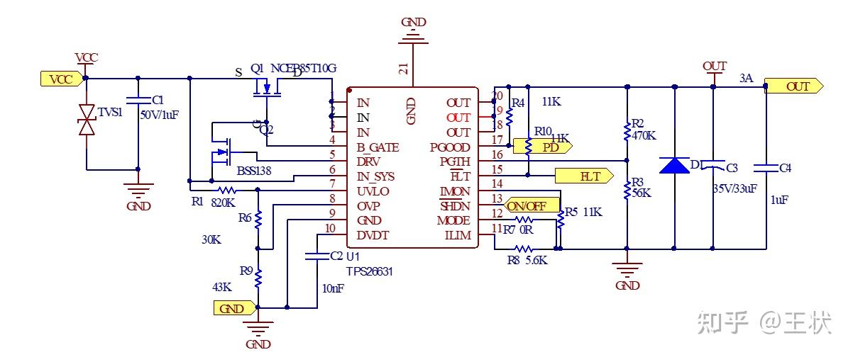
国产电子保险丝mx26631dl
图片尺寸1202x504
家庭电路安全及九年级电学全解析
图片尺寸1080x781
图1393保险丝sc
图片尺寸2976x3189
但当电风扇的插头插入插座后,灯泡突然熄灭且保险丝熔断
图片尺寸1080x775
汽车电路 比亚迪宋pro燃油版保险图解
图片尺寸1072x1429
长安奥拓保险丝及继电器电路图
图片尺寸1078x1491
江铃e200刹车灯保险丝电路图
图片尺寸742x1632
豪沃轻卡保险盒图纸
图片尺寸2480x3521
保险丝熔断指示电路,很多电源电路均会采用,电路简单实用!
图片尺寸570x860
原理图
图片尺寸1761x1373
共 2 条评论
图片尺寸1080x1440
05-01 18:10 全部评论 大家都在搜: 出类拔萃 粉丝
图片尺寸1080x1920
桑塔纳2000保险丝盒图解.今天用到了桑塔纳2000保险丝继
图片尺寸1065x1332