倍压电路图

电容的应用之倍压整流电路
图片尺寸1280x720
介绍倍压整流电路结构的优缺点
图片尺寸577x750
给你一个5倍压整流电路图,即可达到输出1000-1100伏直流电压.我来补
图片尺寸512x384
1. 倍压整流电路原理—简介
图片尺寸720x540
直流电压倍压电路
图片尺寸640x371
电容的应用之倍压整流电路
图片尺寸1280x720
电容的应用之倍压整流电路
图片尺寸1280x720
倍压电路问题
图片尺寸475x159
倍压整流电路的工作原理及电路设计
图片尺寸1200x662
七倍压整流电路
图片尺寸787x379
倍压整流电路
图片尺寸999x595
变压器二倍压电路
图片尺寸1080x675
倍压整流电路原理
图片尺寸461x258
二倍压整流电路
图片尺寸597x417
倍压电路.bmp
图片尺寸512x384
倍压整流电路
图片尺寸564x413
有图 请教各位老师 一个很简单的电子 全波倍压电路,怎么就看不懂是
图片尺寸792x288
适用于电压高,电流小,负载不变的多倍压电路
图片尺寸315x257
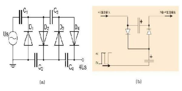
图2:(a) villard级联倍压电路;(b) 倍压电路输入为 v,开关幅度为 v
图片尺寸600x301
倍压整流电路
图片尺寸516x269