倒装模具结构图

倒装复合模典型结构
图片尺寸920x1302
图2-26 普通垫圈标准定型倒装结构复合冲裁模
图片尺寸1131x1271
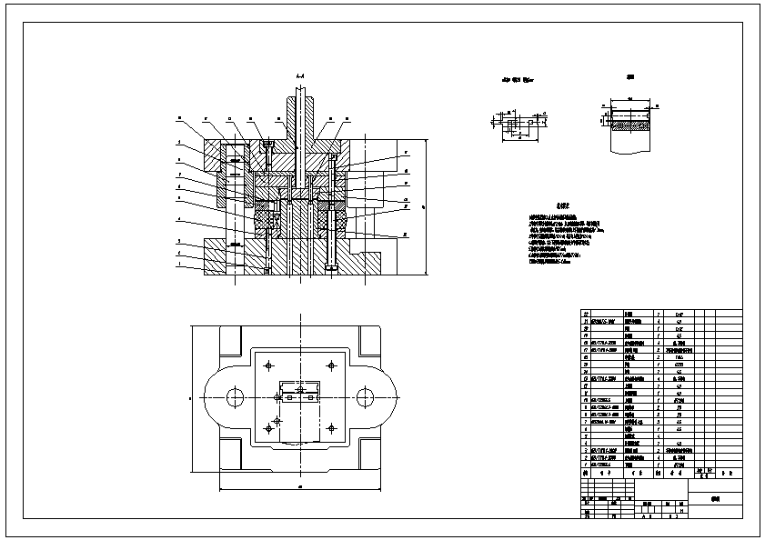
一种倒装模注塑模具的制作方法
图片尺寸1000x812
一种倒装式复合模具
图片尺寸1000x925
图3-25 日字形硅钢片倒装式复合冲裁模
图片尺寸1698x1888
本模具采用倒装结构.
图片尺寸752x585
菱形垫片冲压倒装复合模具设计
图片尺寸841x594
双孔连接片冲压倒装式复合模设计
图片尺寸841x594
压圈冲压倒装复合模设计
图片尺寸841x594
冲压模具设计指导
图片尺寸388x550
异形垫片冲压倒装复合模设计
图片尺寸841x594
图3-27所示为冲制高精度,薄料平板冲裁件所用的倒装式复合冲裁的结构
图片尺寸1441x1407
垫片的倒装复合模设计
图片尺寸841x594
飞机感应仪上盖模具倒装内行位前模斜顶
图片尺寸803x695
倒装细水口三板模模具结构的制作方法
图片尺寸798x1000
l形垫片冲压倒装复合模具设计
图片尺寸841x594
u盘接口倒装复合模具设计
图片尺寸841x594
拖拉机法兰零件倒装复合模冲压模具设计
图片尺寸841x594
笔记本电脑外壳倒装注塑模具
图片尺寸820x562
一种倒装模具制造技术,倒装模具结构图专利_技高网
图片尺寸634x1000