偏心井口图解

偏心井口安装要求
图片尺寸920x1301
左上方是等断面的,中间那个是变截面偏心收口的,即朝两个圆相切的方向
图片尺寸519x304
一种偏Ⅵ型偏心井口的制作方法
图片尺寸1000x760
cn87216479u_一种偏心抽油井口装置失效
图片尺寸800x960
一种容易转动的偏心井口的制作方法
图片尺寸1000x685
注水井标准井口示意图
图片尺寸742x640
抽油井偏心测试井口装置制造方法及图纸
图片尺寸594x1000
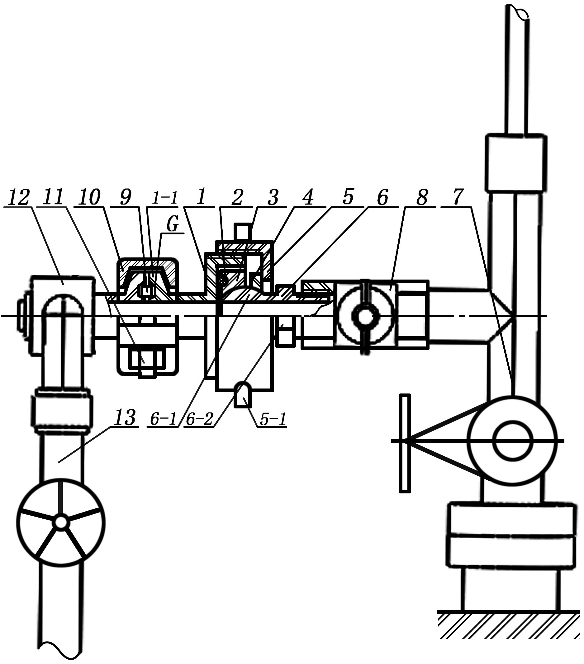
新型抽油井偏心测试井口装置
图片尺寸1555x1943
一种双转动偏心井口的制作方法
图片尺寸1000x695
螺杆泵新型组合式偏心井口的制作方法
图片尺寸1000x987
新型抽油井偏心测试井口装置的制作方法
图片尺寸800x1000
一种容易转动的偏心井口的制作方法
图片尺寸1000x835
kh62/35-14偏心井口装置
图片尺寸300x225
一种作业油井井口流程快速连接装置,包括:底座(1),密封圈(2),偏心座(3
图片尺寸1875x2133
采油树偏心井口
图片尺寸820x508
一种抽油井偏心井口放气装置制造方法及图纸
图片尺寸899x909
偏心井口装置
图片尺寸1600x1200
采油树偏心井口
图片尺寸300x225
克拉玛依市熙海石油科技有限公司
图片尺寸494x715
偏心井口与环空测试工艺 偏心井口与环空测试工艺
图片尺寸1080x810