偏置电路

分压式偏置放大电路
图片尺寸613x497
固定偏置放大电路如图所示.已知 , , ,硅管的 .
图片尺寸383x214
所示的分压式偏置电路中,已知rb1=60kΩ,rb2=20kΩ,rc=3kΩ,re=2kΩ
图片尺寸379x273
运放偏置电路分析
图片尺寸471x338
分压式偏置电路问题
图片尺寸1928x1808
放大电路的分压式偏置电路
图片尺寸235x200
下图所示为分压式偏置放大电路的直流通路当温度升高时三极管的
图片尺寸507x520
7分压式偏置放大电路静态分析
图片尺寸1728x1080
2023年山东省春季高考电子技能样题套件分压式偏置放大电路的组装
图片尺寸1598x913
求分压式电流负反馈偏置放大电路实物图
图片尺寸720x450
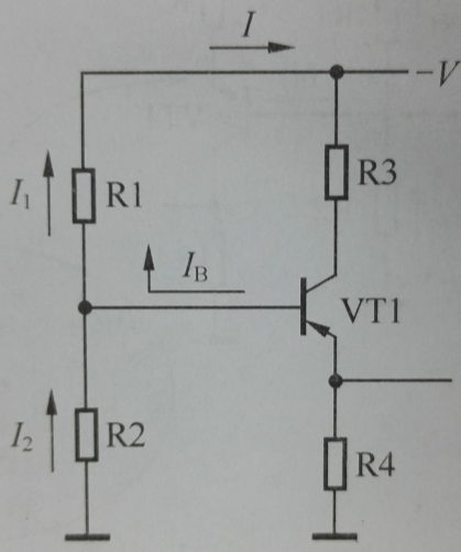
三极管分压式偏置电路
图片尺寸419x501
电路如图所示射极偏置电路设信号源内阻r
图片尺寸482x260
射极偏置电路工作点稳定的原理及条件
图片尺寸253x476
分压式偏置放大电路如图7-47所示,已知晶体管电流放大系数β=60,ube=
图片尺寸345x339
分压式偏置放大电路
图片尺寸613x497
电压负反馈偏置电路图
图片尺寸589x465
设计一个如图所示的分压式偏置电路.已知β=50,v
图片尺寸400x270
互补对称式otl电路的偏置电路
图片尺寸918x490
分压式偏置电路如图所示,增大发射极电阻re,其它参数不变,会使q点().
图片尺寸520x400
三极管的偏置电路选择
图片尺寸471x420