光伏发电电路图

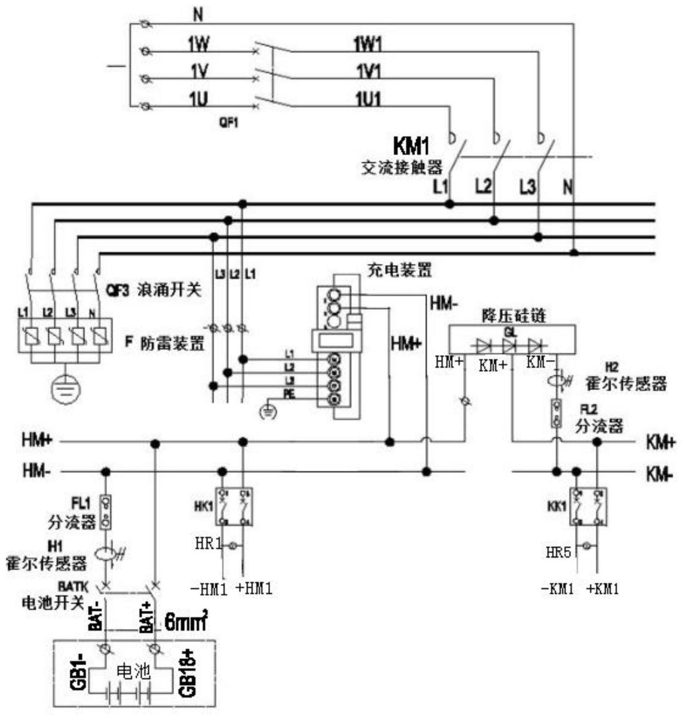
一种光伏发电高压直流输电装置及其方法制造方法及图纸
图片尺寸1000x903
连接电网,该并网型光伏发电系统包括太阳能电池阵列,boost升压电路
图片尺寸1000x483
cn112636694a_一种光伏发电系统及方法在审
图片尺寸871x1000
光伏发电原理图
图片尺寸593x252
一种光伏并网发电系统及其电网侧绝缘阻抗检测装置
图片尺寸1000x846
一种应用于光伏发电站的直流电源电路
图片尺寸1403x1469
能光伏发电控制系统,其包括:逆变单元,k个同步buck单元电压转换电路
图片尺寸1915x1389
太阳能光伏发电系统ppt
图片尺寸1080x810
一种可以实现分布式mppt的集中式光伏发电系统技术方案
图片尺寸1000x569
太阳能独立光伏发电系统控制系统的研究与设计
图片尺寸921x448
基于xc164cm的光伏并网发电系统
图片尺寸490x299
数字一体化电源系统及光伏发电并网系统等系列
图片尺寸1351x807
光伏电站系统原理及组成
图片尺寸1004x523
cn106230029a_一种光伏发电单元有效
图片尺寸2668x884
人员提出一种时间尺度下提高光伏发电转换效率的直流开关动态重构策略
图片尺寸721x674
首先通过采样电路采集光伏电池输出电压与电流,负载电压与电流及功率
图片尺寸1726x868
并网分布式光伏发电系统的选型及配置方案研究
图片尺寸1542x661
太阳能发电按照运行方式可分为并网光伏发电和离网光伏发电.
图片尺寸432x368
cn105186564a_一种高效能的太阳能光伏发电控制系统及方法有效
图片尺寸1000x723
是光伏系统的发电装置
图片尺寸423x275