光纤入户系统图

解决方案│小区三网共建共享光纤入户 小区内网系统方案
图片尺寸1890x1087
光纤宽带常见的两种接入的方式,ftth和fttb的区别
图片尺寸554x348
光纤到户ftth是什么意思
图片尺寸896x574
工程科技 信息与通信 ftth建设示意图ppt 26楼弱电井 光纤配线箱 入户
图片尺寸1080x810
ftth光纤入户需要知道的常识
图片尺寸788x606
光纤如何入户到你家?
图片尺寸752x399
光纤到户设计
图片尺寸3309x2339
千兆管理型光传输系统_设备_光纤_tekview
图片尺寸1000x449
采用室内xx芯单模光缆连接至各楼栋各楼层光纤配线架或光缆交接箱内
图片尺寸652x322
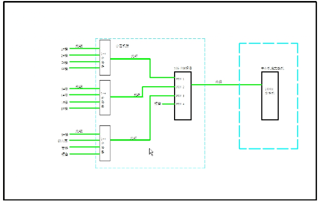
光纤入户连接图
图片尺寸642x424
光纤到户(ftth)的光缆线路为什么要分成多个光缆段落
图片尺寸1035x657
光纤入户连接图
图片尺寸1226x728
光通信ftth→光纤入户全过程
图片尺寸779x373
光纤到户问题
图片尺寸918x600
最全的住宅光纤到户设计与施工规范,看完就会做项目
图片尺寸940x705
住宅建筑光纤到户工程平等接入设计探讨
图片尺寸981x891
一套小区ftth光纤入户设计方案,含预算清单!_进行_设备_发展
图片尺寸623x400
现在运营商的光纤入户宽带,从olt到用户家庭,需要经过一二级分光
图片尺寸1055x420
光纤入户连接图
图片尺寸664x500
一种校园光纤入户控制系统的制作方法
图片尺寸1000x739