光纤环形器原理图

三端口光环形器工作原理
图片尺寸1920x1080
图1.光环形器原理示意图.
图片尺寸640x247
环行器
图片尺寸1213x677
「小麓讲堂」光环形器简介
图片尺寸1080x667
图8 光环行器原理图
图片尺寸475x290
本实用新型涉及光纤光学器件技术领域,尤其涉及一种微型环形器结构.
图片尺寸1000x469
光环形器的基本原理
图片尺寸361x315
光纤耦合器与环形器
图片尺寸554x281
光纤环形器有什么作用?
图片尺寸450x250
光纤环路系统.jpg
图片尺寸1077x727
一种带环形器的otdr光组件的制作方法
图片尺寸1000x579
因此从原理上来说,传统的火炮与电磁炮不同的只是发射方式.
图片尺寸450x356
背景技术在光纤通信系统中,反向光的传输将给器件和系统带来不稳定性
图片尺寸1000x450
环网型4路串口光纤环网光端机
图片尺寸2591x1993
一种profibus冗余环网光纤收发器的实现方法
图片尺寸1972x1446
光纤环形器有什么作用
图片尺寸450x199
一种带oam的光纤收发器
图片尺寸1702x854
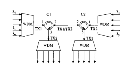
泵浦装置,波分复用器,信号放大装置,三端口环形器和色散渐减光纤环形
图片尺寸1929x1025
光纤收发器连接方法 环形骨干网是利用spanning tree特性构建城域
图片尺寸648x292
光纤线接线图
图片尺寸2592x1944