八代雅阁电路图

广州本田雅阁轿车电路图
图片尺寸800x1205
识读汽车电路图的重要性
图片尺寸635x500
广州本田雅阁轿车电路图
图片尺寸2624x3915
本田雅阁轿车电动座椅不能调节
图片尺寸1218x1056
广州本田雅阁轿车点火系统电路图
图片尺寸650x1000
广州本田雅阁轿车启动系统电路图
图片尺寸680x964
本田雅阁电路图.
图片尺寸905x1280
判断题1分析本田雅阁汽车电动天窗电路控制原理并写出电路电流流过的
图片尺寸890x1187
雅阁发动机电路
图片尺寸1334x1552
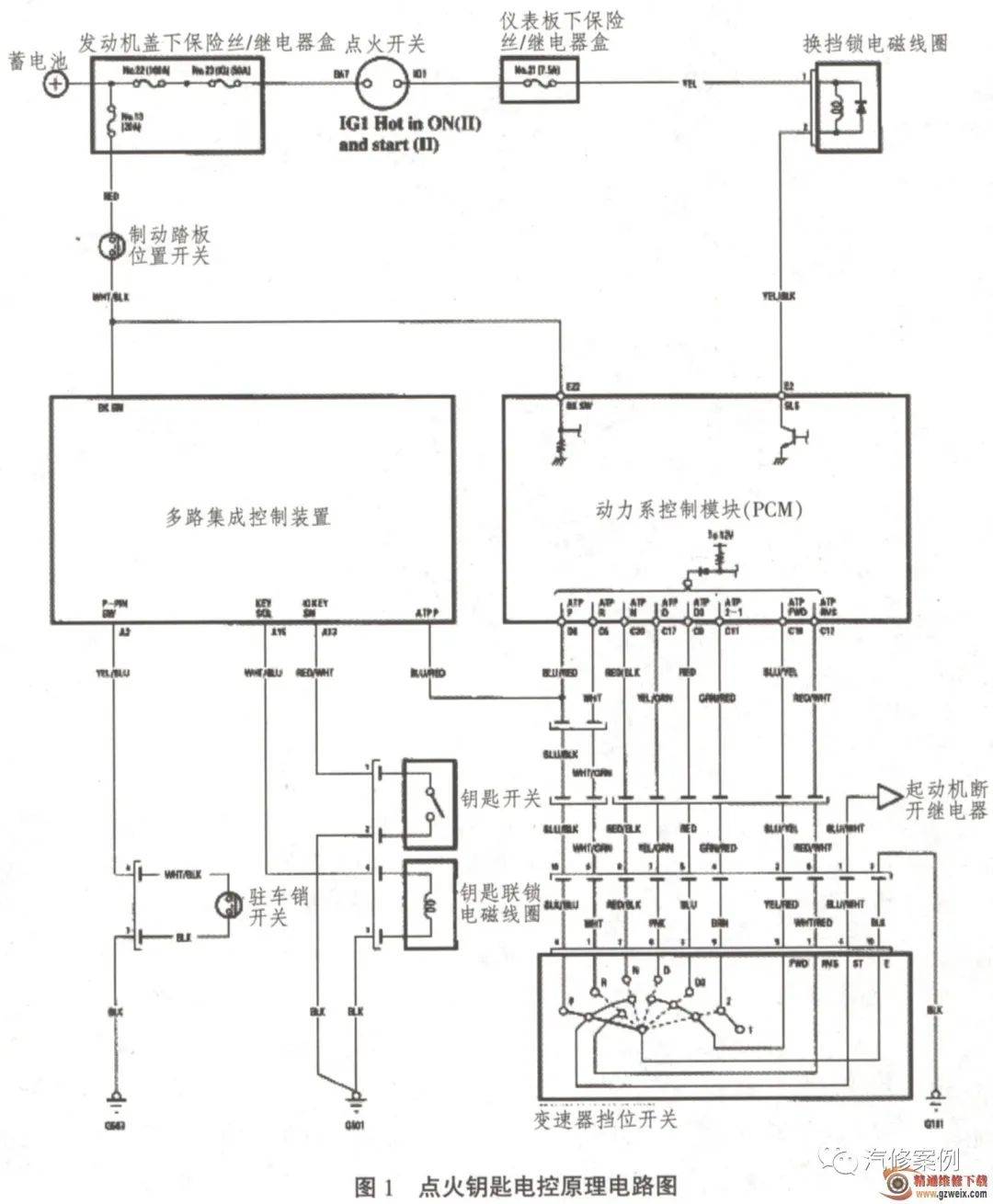
分析及检修本田雅阁点火钥匙不能拔出故障
图片尺寸1080x1310
雅阁电动座椅控制系统电路图
图片尺寸573x678
2008款广本雅阁发动机系统电路图(一)
图片尺寸893x1267
请分析本田雅阁电动天窗控制系统
图片尺寸704x502
雅阁防启动控制系统电路图
图片尺寸674x730
广州本田雅阁轿车电路图
图片尺寸800x1205
2008款广本雅阁启动_充电_点火开关_电力分配系统电路图
图片尺寸959x1389
本田雅阁左侧转向灯不亮故障检修
图片尺寸523x583
广州本田雅阁防抱死制动系统电路
图片尺寸2717x1866
雅阁温度自动控制系统电路图
图片尺寸775x513
广州本田雅阁发动机电控单元电路1
图片尺寸1710x2789