六角车床加工原理

车床ca6140ppt
图片尺寸1080x810
ca6140车床数控化改造设计ppt
图片尺寸1080x810
原理 车床是作进给运动的车刀对作旋转主运动的工件进行切削加工的
图片尺寸468x311
加工精度:六角车床加工外圆时,精度可达到it11~it8,表面粗糙度ra值
图片尺寸327x292
沈阳机床ca6161a/2000普通车床 2米沈阳ca6261b/a沈阳普通车床
图片尺寸963x582
《电气控制与plc技术》课件 赵经纬项目6 ca6140型普通车床分析ppt
图片尺寸1080x810
加工精度:六角车床加工外圆时,精度可达到it11~it8,表面粗糙度ra值
图片尺寸280x259
ca6136车床ppt课件
图片尺寸920x690
图2-1-3-12 六角车床刀杆支架孔对主轴轴线同轴度检测示意图3.
图片尺寸312x209
普通车床加工尺寸精度一般为it10~it8,表面粗糙
图片尺寸483x332
卧式 动力类型:电动 产品概述 六角车床又称回轮,转塔车床,适用于加工
图片尺寸1024x754
普通车床6150如何挑矩形螺纹
图片尺寸856x639
项目1_ca6140型普通车床电气控制电路ppt
图片尺寸1080x810
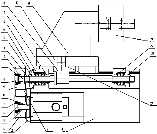
一种转塔式六角车床横向进给机构
图片尺寸528x450
基于dsp的经济型车床的多功能化数控改造
图片尺寸460x230
南京机床厂c336-1回轮式六角车床齿轮配件 c336六角车床单联齿轮
图片尺寸800x800
南京机床厂 六角车床c336-1 齿轮 光杆齿轮 双联 三联齿轮
图片尺寸800x800
车床——金属切削机床课件ppt
图片尺寸1080x810![ca6140型车床传动系统[1]](https://i.ecywang.com/upload/1/img0.baidu.com/it/u=3926859090,3875438313&fm=253&fmt=auto&app=138&f=JPEG?w=500&h=375)
ca6140型车床传动系统[1]
图片尺寸1080x810
南京机床厂c336-1回轮式六角车床三联齿轮配件 c336六角车床齿轮
图片尺寸800x800