内螺纹俯视图

如何标注螺丝的俯视图呢?
图片尺寸1920x1200
din547 round nuts with drilled holes in one face
图片尺寸2539x1959
几种常见的螺丝螺纹的画法
图片尺寸1029x1396
din961 hexagon head bolts,metric fine pitch thread
图片尺寸750x600
【shapr3d】螺纹
图片尺寸2208x1380
圆锥管螺纹采用三角形牙型设计,旨在提高密封,连接和耐久性.这种设计
图片尺寸1777x1280
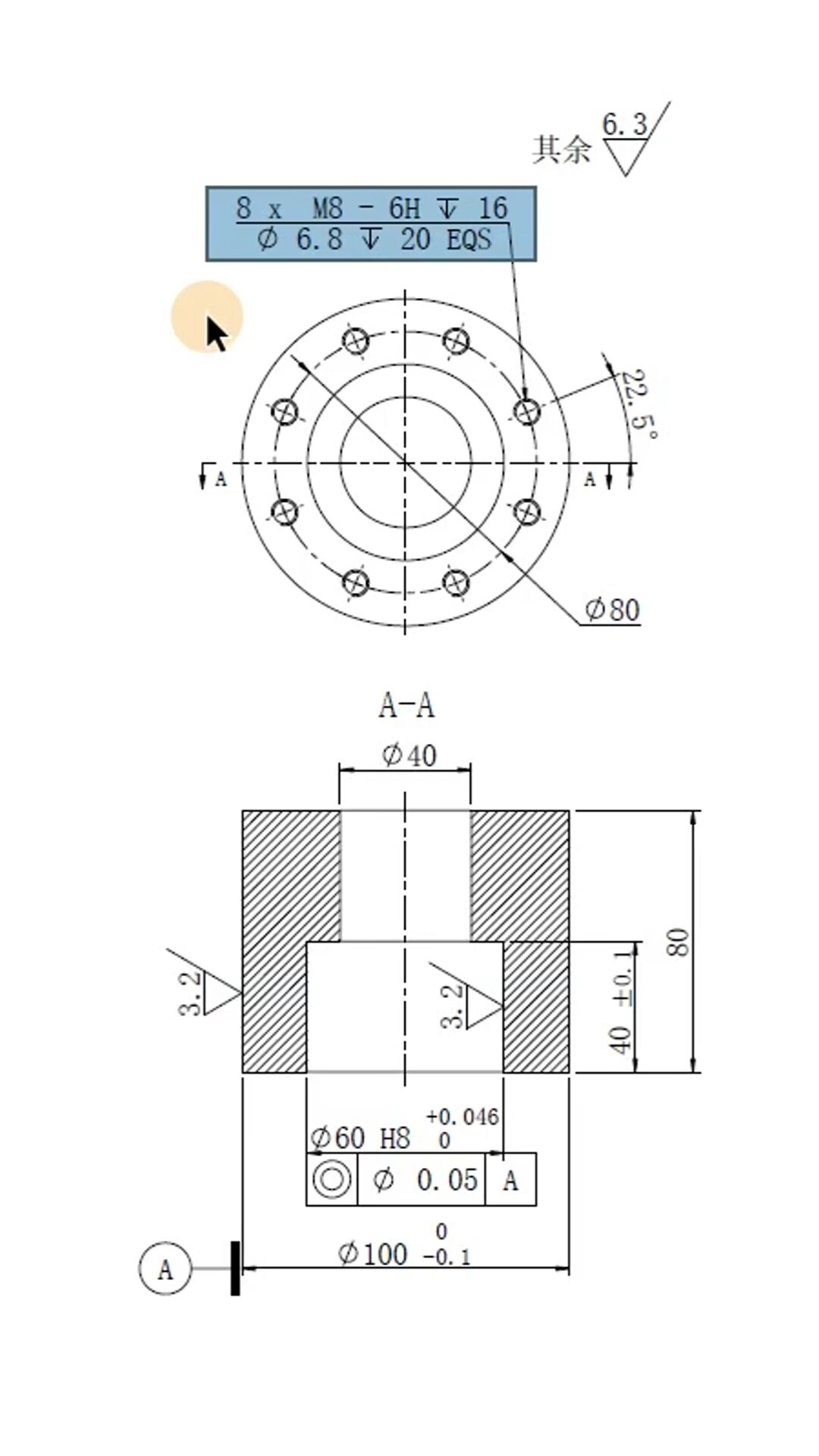
机械制图考试,求答案,在线等!
图片尺寸621x351
螺栓圆角如何画,六角螺栓怎么画
图片尺寸857x576
常见螺纹画法分享
图片尺寸1280x956
螺纹连接之螺钉连接
图片尺寸365x500
cad慢走丝作图教程
图片尺寸600x241
下列关于螺纹参数正确的叙述是
图片尺寸667x321
普通螺纹标注介绍
图片尺寸1080x1920
内六角圆柱头螺钉
图片尺寸1253x815
图片尺寸4786x5407
标准件之螺纹连接件的连接
图片尺寸446x444
hexagon socket set screws with point
图片尺寸2245x1387
🔧 机械制图螺纹画法指南 🔧
图片尺寸1263x1751
大连理工大学机械制图习题集答案c6ppt
图片尺寸1080x810
din7983 raised countersunk oval head tapping screws with cross r
图片尺寸2606x3442