冷凝器图例符号

液压与气动技术符号全解析,轻松掌握能量传递与转换
图片尺寸473x474
冷凝器线圈矢量图标设计
图片尺寸1600x1599
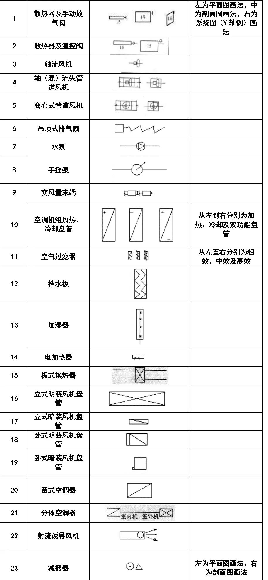
工程图例详解:从管道到风道的标准化绘制
图片尺寸915x1978
2,常用图例x其它设备12f工业炉6w称量设备11v容器
图片尺寸640x474
的专用配件有压缩机,四通阀,截止阀,单向阀,电磁阀,膨胀阀,干燥过滤器
图片尺寸639x328
换热器图例在装置设备布置图的绘
图片尺寸1024x1419
常用液压系统符号汇总
图片尺寸500x317
此外,为了更清晰地展示压力管道工艺流程,我们附上了常用的图例供您
图片尺寸606x497
一种减少循环水蒸发量的蒸发式冷凝器
图片尺寸1933x2137
常用液压系统符号汇总
图片尺寸500x286
平方米冷凝器
图片尺寸2866x1080
冷凝器cad图纸
图片尺寸958x692
消防图纸产品符号
图片尺寸1280x1608
常见阀门:3,阀门管件图例:常用图例及说明:2,管件管道符号重点说明
图片尺寸606x576
立式冷凝器立面示意图
图片尺寸941x638
冷冻水进水温度,供冷量(或出风工况要求)等参数计算设计冷凝器
图片尺寸2406x1023
参数:冷冻水进出水温度,冷却水进出水温度,蒸发,冷凝压力等系统参数
图片尺寸629x412
收藏┃ 暖通空调常用图例,史上最全总结
图片尺寸640x442
源头厂家#专业生产厂家 玻璃分水器玻璃冷凝器#生产车间现场
图片尺寸1212x2616
电气符号全解析,收藏必备!
图片尺寸1080x1409