冷却水系统原理图

冷却水循环系统
图片尺寸594x489
中央空调冷却水循环系统
图片尺寸720x960
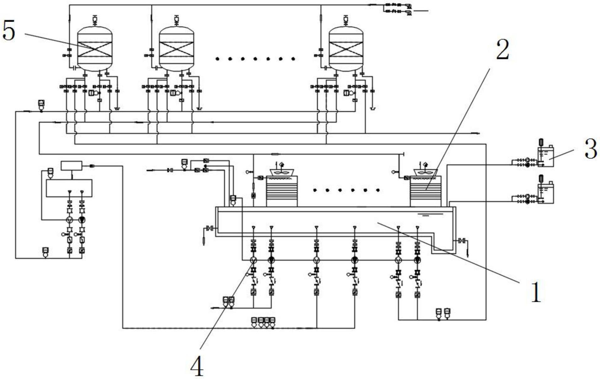
一种钢厂循环冷却水处理系统
图片尺寸1912x1208
冷水机组冷却水系统设计与运行中的若干问题探讨
图片尺寸772x1027
冷却水循环系统的工作原理 冷却水循环系统的核心
图片尺寸720x960
发电机定子冷却水系统及阀门全面介绍
图片尺寸1080x694
冷却循环水机
图片尺寸985x581
其冷却介质为海水并通过热交换器排出船舱;高温循环系统
图片尺寸1684x1097
一种用于光热电站辅机冷却系统的闭式循环冷却水泵组
图片尺寸1942x936
冷却塔原理 循水奔流入塔台,热散云蒸幻景开.气涌风旋携
图片尺寸1670x1080
一种船用低温淡水冷却系统
图片尺寸1878x2035
浅谈闭式冷却塔在冷却循环水系统中的的地位
图片尺寸3402x2379
冷冻站的制冷系统
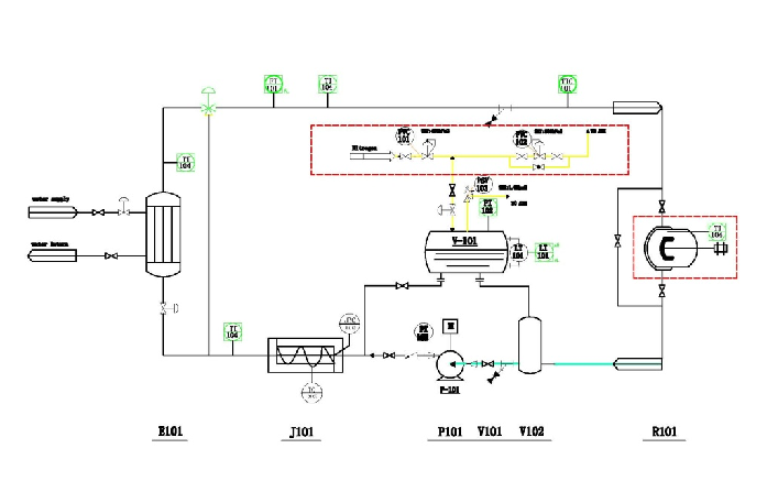
图片尺寸700x488
冷却水系统设计要点总结不看是你的损失别说我不提醒
图片尺寸996x500
汽车防冻冷却液不需要按季节更换仅需定期补充可以使用蒸馏水
图片尺寸1034x656
乙二醇直接冷却系统
图片尺寸697x447
什么叫做闭式循环冷却水和开式循环冷却水,两者之间有什么区别?
图片尺寸1146x646
空压机应用闭式冷水塔水冷却原理流程
图片尺寸901x633
开式冷却塔循环水系统原理和工作流程
图片尺寸640x329
冷却系统的工作原理
图片尺寸640x382