准解理断裂

准解理断裂
图片尺寸409x348
图12-29 准解理断裂形貌 图12-30 剪切韧窝形貌
图片尺寸545x189
准解理断裂
图片尺寸273x228
求助各位大神断口分析属于准解理断裂吗韧窝在哪
图片尺寸512x572
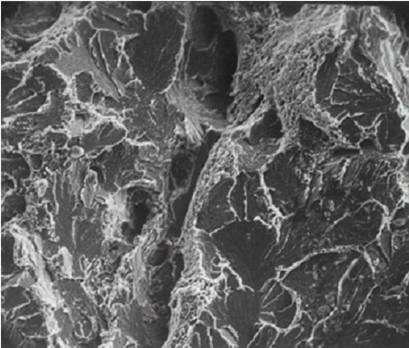
麻烦大家帮我看下这个断口是不是属于准解理断裂
图片尺寸630x475
这个是准解理断裂不?下一个是最重要的问题.
图片尺寸800x736
准解理断裂
图片尺寸270x226
解理断裂形貌图例
图片尺寸489x367
(1)解理断裂解理断裂是金属材料在一定条件下,当外加正应力达到一定
图片尺寸1036x734
解理断裂形貌图例
图片尺寸489x367
帮忙分析两张断口照片看一下我的分析对不对
图片尺寸800x600
解理断裂形貌图例
图片尺寸492x374
材料的断裂 解理断裂定义——在正应力的作用下,由于原子间结合键的
图片尺寸1080x810
失效分析基础脆性断口之解离断口详解
图片尺寸368x478
疲劳断裂由于材料在反复的应力作用下发生的断裂,通常表现为穿晶断裂
图片尺寸895x335
图10 准解理形成示意图2)"凹槽"在具有复杂显微组织的合金(如钛合金)
图片尺寸750x794
解理断裂
图片尺寸729x569
属于什么断裂形式啊, 如题,分析断口形貌,韧窝断裂还是准解理断裂啊
图片尺寸692x800
您当前的位置:检测资讯 > 法规标准
图片尺寸1250x2000
解理断裂
图片尺寸338x282