减压回路图

液压系统减压回路
图片尺寸596x588
(3)组成单向减压回路.
图片尺寸553x556
液压系统中的减压回路类型有哪些?
图片尺寸700x399
二级调压减压回路
图片尺寸589x392
液压系统减压回路分析
图片尺寸553x292
液压二级减压回路如何实现
图片尺寸800x450
自耦变压器减压控制电路
图片尺寸873x566
2减压回路
图片尺寸640x590
多级减压回路实验装置设计2d图机械cad素材
图片尺寸1018x732
液压系统减压回路压力不稳定原因分析
图片尺寸680x765
减压阀应用及其注意事项
图片尺寸263x318
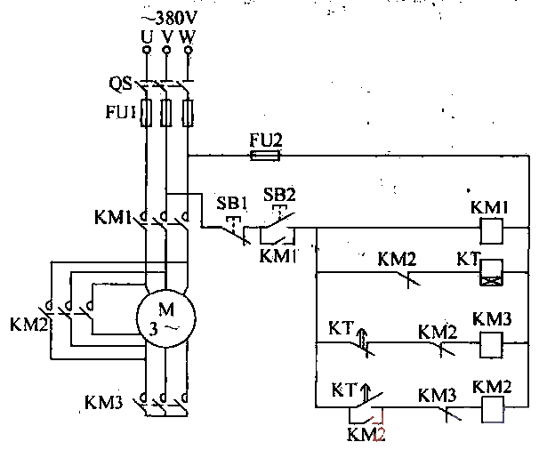
18,零基础学电工-星三角自动减压起动电路(通电延时继电器)
图片尺寸640x796
二级调压减压回路
图片尺寸738x599
18,零基础学电工-星三角自动减压起动电路(通电延时继电器)
图片尺寸624x834
二级减压回路
图片尺寸496x289
减压回路 | 压力控制回路 | 液压传动
图片尺寸598x540
y-△减压起动 strong>控制电路 /strong>.gif
图片尺寸615x506
xj01-115自藕减压启动箱二次回路接线图?
图片尺寸551x448
图 2 减压阀试验回路示意图
图片尺寸613x240
自动控制的自耦减压启动控制电路
图片尺寸1633x1687