减法器电路图

急求1个 由运放构成的减法运算电路,要求u0=5(ui1-ui2 ).
图片尺寸508x370
减法器电路 向左转 向右转
图片尺寸619x427
减法器电路原理图
图片尺寸470x347
减法运算电路 -解决方案-华强电子网
图片尺寸419x483
减法运算电路
图片尺寸418x287
二进制减法器分类(真值表与电路图详解)
图片尺寸449x200
【减法电路】实现0v~ 5v输入-5v~ 5v输出
图片尺寸2470x1596
p>减法电路是基本集成运放电路的一种,算术运算电路主要包括数字 a
图片尺寸769x567
算术电路
图片尺寸600x464
8减法运算电路
图片尺寸1709x927
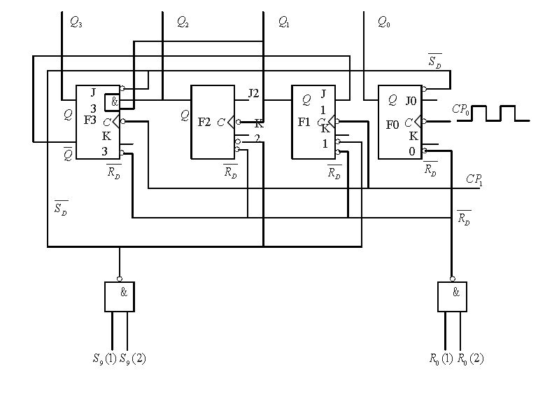
数字电路设计1位十进制减法器的proteus仿真设计
图片尺寸1413x772
通用减法器(741,1458)-电路图-aet-中国科技核心期刊-最丰富的电子
图片尺寸1697x511
减法运算电路
图片尺寸374x278
一种减法电路的制作方法
图片尺寸443x415
使用半二进制减法器的全二进制减法器电路图
图片尺寸827x307
减法运算电路
图片尺寸1824x1080
减法器电路分析
图片尺寸515x451
运放 减法电路
图片尺寸530x202
三款减法器的电路图解析-电子发烧友网
图片尺寸828x281
三款减法器电路图分享-电子发烧友网
图片尺寸764x413