分子筛原理图

分子筛制氧法原理图
图片尺寸608x445
分子筛脱水原理ppt
图片尺寸1080x810
碳分子筛工作原理
图片尺寸566x324
北京分子筛
图片尺寸705x467
直排筛结构和原理动图
图片尺寸700x370
一种用于液化气吸附脱水的碳分子筛,及其制备方法-爱企查
图片尺寸1902x1045
一种改性β分子筛及其制备方法和应用-爱企查
图片尺寸1653x1244
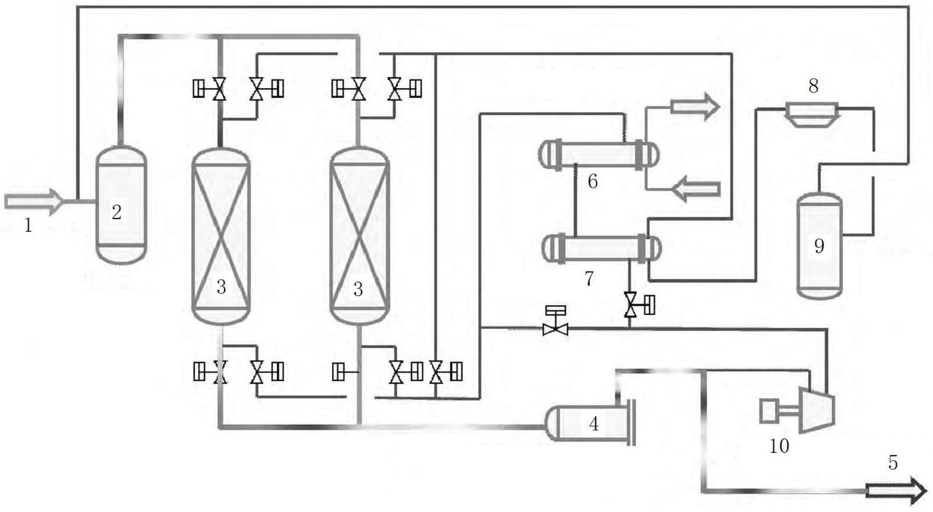
一种分子筛再生系统的制作方法
图片尺寸1000x800
天然气脱水装置设备 分子筛脱水工艺流程设备 山东巨创
图片尺寸750x563
c_2h_4_co_2在分子筛上的吸附与分离
图片尺寸1258x1028
一种用于液化气吸附脱水的碳分子筛,及其制备方法与流程
图片尺寸1000x547
洗涤筛选设备ppt (二)内流式压力筛 内流式压力筛的工作 原理和基本
图片尺寸1076x808
cn109384246b_一种aei结构分子筛及其制备方法和应用有效
图片尺寸1020x1123
活性氧化铝球与分子筛的用途及区别 其他 球型
图片尺寸606x606
碳分子筛
图片尺寸800x500
分子筛脱水
图片尺寸900x400
什么是分子筛ppt
图片尺寸1080x810
滚筒式筛分机工作原理
图片尺寸800x475
分子筛在催化过程中的应用
图片尺寸308x473
分子筛脱水后气体的水合物形成温度为什么没有明显下降
图片尺寸1197x470