分频电路原理图详解

音箱内高低音分频电路是怎样的?
图片尺寸560x500
三分频电路.jpg
图片尺寸672x573
分频器电路图
图片尺寸1456x1108
音箱分频器原理(音箱分频器的原理)
图片尺寸617x440
展开全部 典型分频电路! 向左转 向右转
图片尺寸615x407
主动式分频网络电路图
图片尺寸922x1012
调整后的分频器电路如下图,欢迎反馈听感.
图片尺寸700x410
4 三分频器原理与结构为方便使用人员在组成二分频器,三分频器中选择
图片尺寸1447x780
一款简单的音箱三路分频器电路图
图片尺寸394x460
今天终于把高,中低,超低单元搞定了.出最后一版分频器电路图.电感
图片尺寸800x493
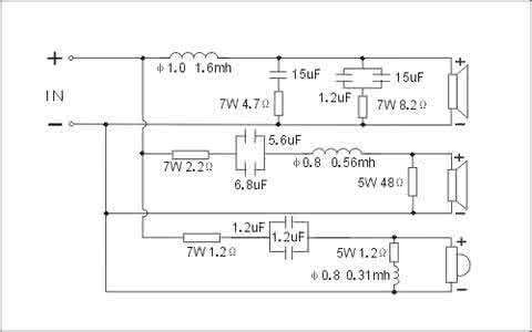
音响知识大全---发烧级三分频电路图
图片尺寸480x300
惠威家庭影院中置声道音箱分频器电路图
图片尺寸775x450
3分频器电路.jpg (33.
图片尺寸650x575
电子分频放大电路
图片尺寸1359x1444
音箱中电子分频器的功能及分类音箱的结构组成详解
图片尺寸632x426
(1)有源rc分频电路
图片尺寸698x386
(1)有源rc分频电路
图片尺寸698x386
扬声器与简单高低音分频器连接电路图
图片尺寸392x376
hifi减法式电子三分频
图片尺寸1123x620
ne5532_电子分频电路_重低音_高音
图片尺寸1045x481