加气块规格

加气混凝土砌块规格换算表
图片尺寸523x600
加气轻质砖砌块常用规格一览表
图片尺寸800x1132
加气轻质砖砌块常用规格一览表: 规格(mm)|m2/m3|块/m3|块/m2|m3/块
图片尺寸496x702
润合建材 蒸压加气混凝土砌块 10分轻质砖10分加气砖
图片尺寸750x442
广州加气砖(轻质砖 加气混凝土砌块 空心砖 发泡砖 泡沫砖)价格
图片尺寸680x488
武汉加气块蔡甸加气块厂家直销正规厂家非施工队开票
图片尺寸762x470
加气砖
图片尺寸514x250
厚度的轻质砖加气砖泡沫砖配送到家,灰加气砂加气各种规格
图片尺寸800x800
加气砖产品规格及参数
图片尺寸649x708
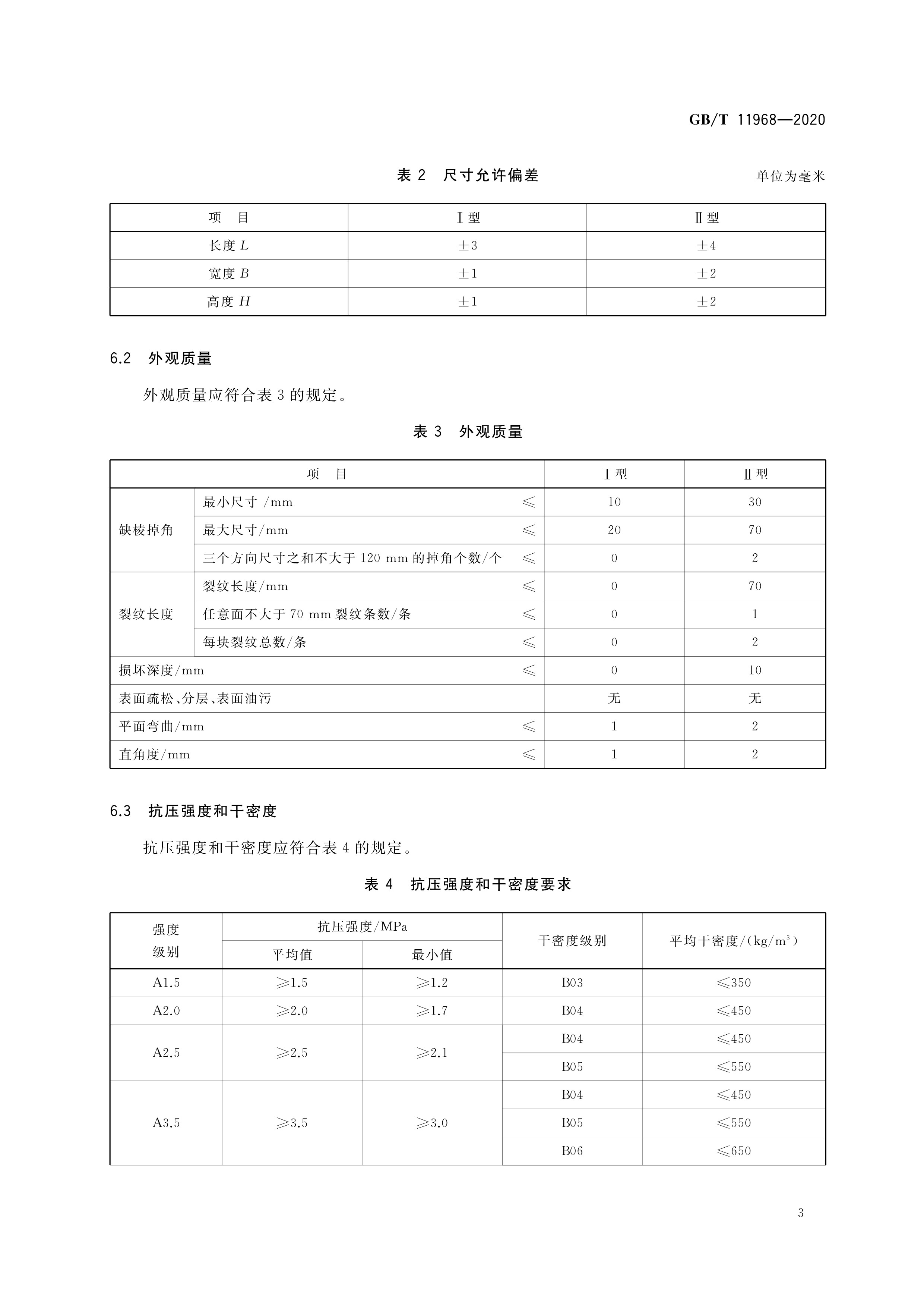
加气混凝土砌块检验与质量检测
图片尺寸877x429
天津砂加气_b04砂加气_b05砂加气_自保温砌块_蒸压砂加气砌块
图片尺寸511x715
年产20万m3蒸压加气混凝土砌块生产线技改工程可行性研究报告
图片尺寸660x530
砂加气
图片尺寸750x579
浩溢加气块
图片尺寸726x994
供应蒸压加气混凝土砌块
图片尺寸400x266
蒸压加气混凝土砌块
图片尺寸2480x3508
加气混凝土砌块尺寸加气混凝土砌块规格型号
图片尺寸1462x509
加气砖产品规格及参数
图片尺寸896x414
3,采购物资名称,规格型号,单位,数量2,招标范围:蒸压加气混凝土砌块
图片尺寸632x326
蒸压加气混凝土砌块
图片尺寸747x317