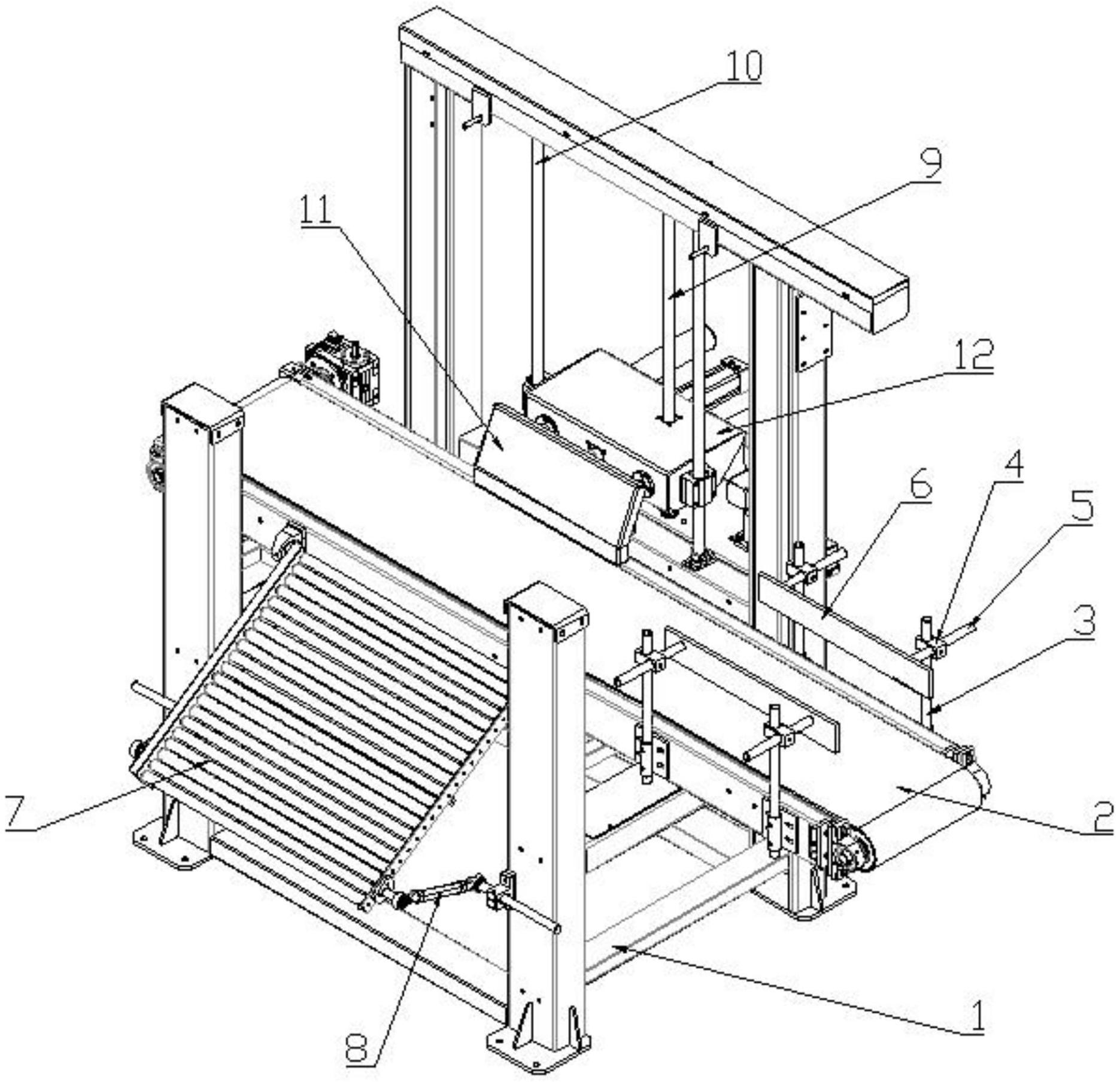
包子机图纸

一种四重馅包馅机
图片尺寸1861x1981
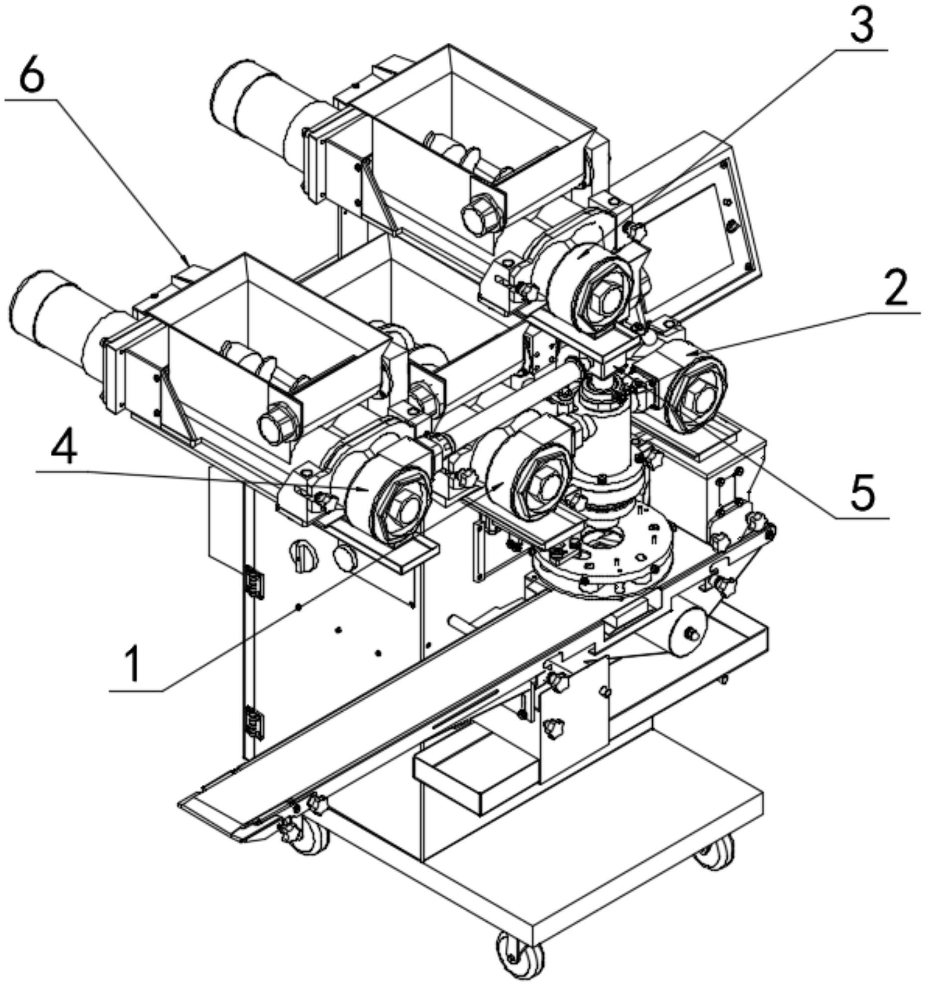
一种新型包子机的制作方法
图片尺寸692x1000
一种新型包子机-爱企查
图片尺寸1377x1988
一种包子机的成型装置制造方法及图纸
图片尺寸926x1000
家用自动包子机的设计含5张cad图
图片尺寸1200x800
一种加热均匀的烤面包机的制作方法
图片尺寸973x1000
粉料吨袋包装机图纸
图片尺寸858x612
小型双螺旋辊馒头机设计【包子机 糕点制作机含20张cad图纸 说明
图片尺寸800x800
一种包子机的制作方法
图片尺寸728x1000
一种包子机的制作方法
图片尺寸828x1000
自动制面包机
图片尺寸4269x3807
一种包子机的制作方法
图片尺寸366x317
cn209551843u_一种面包切片机有效
图片尺寸959x1000
cn212766977u_一种大米包装用升降推包机有效
图片尺寸1871x1807
cn103431293a_卷馅儿捏花包子机失效
图片尺寸1000x654
药片生产用包衣机的制作方法
图片尺寸938x1000
烤面包机的设计与制作【含cad图纸 pdf图】
图片尺寸1200x800
自动制面包机-智农361-国际专利·农资器具展示交易平台
图片尺寸1791x2164
cn212581213u_一种可实现连续稳定,精准卷绕的金属针布包卷机
图片尺寸1947x2042
cn2162773y_自动包子机失效
图片尺寸800x589