十位电表箱配电图

图里的aw1是电表箱还是配电箱,能用配电箱系统图识别吗-服务新干线
图片尺寸881x481
电表箱1aw1配电系统图
图片尺寸1600x1200
十位电表箱
图片尺寸772x635
标准示例!_配电箱_开关_断路器
图片尺寸766x532
家用电表箱室内1室外2户外4明装6暗装出租房8位铁电箱10户电表盒 明装
图片尺寸350x350
三级配电二级漏保一机一闸一漏一箱安全员必须搞懂
图片尺寸498x489
拆砸地板有电表箱对线路影响小吗水电建设成本低吗
图片尺寸750x658
配电柜,像常见的照明配电箱,电表箱,动力配电柜,应急配电箱等,每一套
图片尺寸613x732
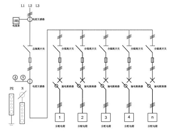
开关箱);2,采用tn-s接零保护系统;3,采用三级漏电保护系统(即总配电箱
图片尺寸779x584
定制成套配电箱三相四线电表箱工厂用照明箱临时工地箱插座开关箱
图片尺寸990x990
三级配电二级漏保,一机一闸一漏一箱,值得收藏_开关_配电箱_断路器
图片尺寸640x434
三级配电二级漏保一机一闸一漏一箱安全员必须搞懂
图片尺寸640x471
室内挂墙三相四线电表计量配电箱动力箱工地箱成套控制箱开关箱黑色
图片尺寸780x1040
304不锈钢10户电表箱单相配电箱明暗装带空开位防锈201十位电表箱
图片尺寸300x300
照明配电箱开关箱户内电表箱pz40
图片尺寸800x800
配电箱柜标准化图纸集word
图片尺寸1024x1217
在每个电表箱安装一个采集器,再将采集器通过485或者载波的方式和配变
图片尺寸592x431
三级配电二级漏保,一机一闸一漏一箱,值得收藏_开关_配电箱_断路器
图片尺寸640x436
家用电表配电箱 1家用2单相3明装4暗装嵌入式5出租房6插卡式8位电表箱
图片尺寸790x1200
东莞厂家正泰不锈钢电表箱 不锈钢配电箱 不锈钢户外照明控制箱
图片尺寸1920x1440