十字联轴器结构原理

lqa十字轴式万向联轴器的结构图swc-bh十字轴式万向联轴器的结构图swc
图片尺寸311x328
ws,wsd型十字轴式万向联轴器图纸
图片尺寸500x500
供应国产swpswp 十字轴式万向联轴器
图片尺寸680x805
十字式万向联轴器万向节十字轴承什么牌子好
图片尺寸355x380
十字轴式万向联轴器结构示意
图片尺寸680x256
十字滑块联轴器
图片尺寸500x325
sl十字滑块联轴器结构图
图片尺寸650x380
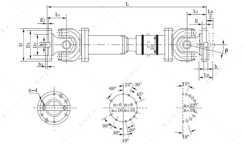
swc-i型十字轴式万向联轴器 伸缩 万向节连轴器 万向轴 传动轴
图片尺寸800x460
cn201016367y_十字轴式万向联轴器失效
图片尺寸2638x1096
球笼联轴器百科
图片尺寸1125x691
swl-i十字轴式万向联轴器 万向轴 传动轴 万向节 连轴器
图片尺寸1095x1320
2 无弹性元件挠性联轴器 (1)十字滑块联轴器(sj 2125—82) 注:sj
图片尺寸1080x810
十字轴式万向联轴器
图片尺寸302x575
十字轴式万向联轴器的改进安装
图片尺寸922x354
联轴器的工作原理借鉴实操
图片尺寸920x1302
铭阳万向联轴器swpe型有伸缩法兰长型十字轴式万向联轴器制造
图片尺寸800x472
十字滑块联轴器
图片尺寸920x1302
十字万向联轴器结构示意
图片尺寸680x257
关于十字轴万向联轴器的画法?
图片尺寸681x337
浆液循环泵联轴器膜片失效原因分析
图片尺寸998x732