升压斩波电路

升压斩波电路的介绍
图片尺寸605x314
下图所示为直流升压降压斩波电路l和c值均很大图
图片尺寸711x362
直流升压斩波电路 - csdn
图片尺寸448x610
基于multisim的boost升压斩波电路仿真
图片尺寸813x469
升压斩波电路(boost chopper)原理图及波形图
图片尺寸1000x221
直流斩波电路
图片尺寸675x416
升压斩波电路原理
图片尺寸631x438
直流斩波电路的matlabsimulink仿真研究
图片尺寸972x535
几种斩波电路的工作原理
图片尺寸1000x221
直流斩波电路ppt
图片尺寸1080x810
斩波电路学习之路 – 升降压一体
图片尺寸533x768
升压斩波电路matlab仿真电力电子技术第5版课本仿真升压降压斩波电路
图片尺寸386x180
西安交通大学-电力电子技术-第五版-王兆安-第3章-直流斩波电路ppt
图片尺寸1080x320
调压电路 降压斩波电路课程设计 直流电机控制系统 升压斩波电路设计
图片尺寸822x497
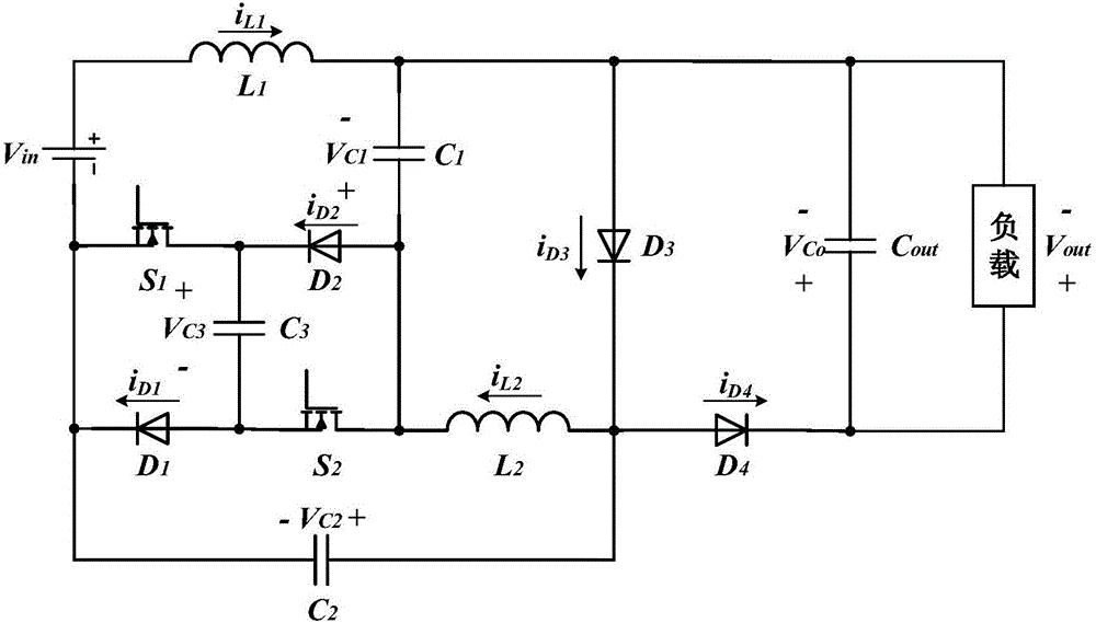
cn208862745u_一种输入电流连续有源开关电容z源升压斩波电路有效
图片尺寸1000x569
升压斩波电路原理
图片尺寸648x348
直流斩波电路ppt
图片尺寸1080x810
一种输入电流连续有源开关电容z源升压斩波电路的制作方法
图片尺寸1000x573
该电路为图a升压斩波电路b降压斩波电路c升降
图片尺寸400x274
升压式斩波型开关稳压电源原理图-电路图-aet-中国科技核心期刊-最
图片尺寸661x393