半挂车悬挂图纸

德国半挂车悬挂
图片尺寸3937x1539
一种载重汽车专用悬挂的制作方法
图片尺寸1000x790
一种半挂车的可滑动式悬挂-爱企查
图片尺寸1788x1054
出售挂车空气悬挂 半挂车美式悬挂 德式悬挂 组装式悬架 支持生产
图片尺寸750x750
重型半挂牵引汽车空气悬架装置-爱企查
图片尺寸1088x944
悬挂系统以及包括其的货运小车技术方案
图片尺寸1000x885
双横臂悬架装配图pdf
图片尺寸920x650
挂车悬挂厂家定做挂车悬挂厂家bpw挂车悬挂德式挂车悬挂
图片尺寸1290x954
轻型货车悬架设计
图片尺寸1728x1080
一种旅居挂车的底盘悬挂的制作方法
图片尺寸444x316
供应半挂车美式反装悬挂半挂车方桥悬挂
图片尺寸600x194
德式导向臂图纸2.jpg
图片尺寸750x750
一种半挂车串联悬挂的制作方法
图片尺寸1000x368
系统车桥板簧刹车气室中支架图纸描述三维模型为半挂车悬挂及车桥总成
图片尺寸820x476
一种抗扭转挂车空气悬架的制作方法
图片尺寸503x448
cn201198273y_载货车用新型随动承载悬挂系统失效
图片尺寸1980x1573
乘用车常见悬架系统示意图
图片尺寸920x690
山东厂家提供半挂车悬挂板簧
图片尺寸940x544
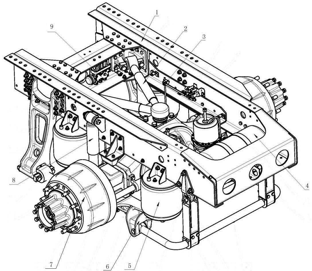
重型汽车后悬架系统及该重型汽车技术方案
图片尺寸1000x953![df-104型载货汽车悬挂-机构设计-悬架设计[含cad高清图和说明书全套]](https://i.ecywang.com/upload/1/img1.baidu.com/it/u=3449196539,937960422&fm=253&fmt=auto&app=138&f=GIF?w=750&h=500)
df-104型载货汽车悬挂-机构设计-悬架设计[含cad高清图和说明书全套]
图片尺寸1200x800