半桥全桥电路图

半桥,全桥电路图的画法
图片尺寸371x422
电磁感应加热器半桥和全桥的区分和详细解说
图片尺寸485x300
隔离型半桥电路与全桥电路的详细对比
图片尺寸920x1301
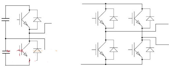
电路原理 从电路拓扑上看,半桥电路和全桥电路并没有本质上的区别.
图片尺寸2032x1280
什么是差动全桥电路 半桥差动和全桥差动的区别 - 酷爱电子网
图片尺寸991x484
全波和半桥,全桥整流加倍压整流讨论
图片尺寸592x587
常用全桥式电路和半桥电路
图片尺寸454x212
怎么分析这个全桥电路
图片尺寸862x533
一种用于均衡电路的半桥全桥隔离电路及其工作方法与流程
图片尺寸1000x440
市电的全桥整流和半桥整流有什么区别
图片尺寸797x320
交错并联对称半桥全波整流电路
图片尺寸337x243
全桥 半桥 1 4桥
图片尺寸574x229
半桥1 将电阻应变片接入电桥电路充当某一桥臂.
图片尺寸3264x2448
各位老师在调全桥的时候,有没有遇到其中一个半桥工作不正常的情况
图片尺寸772x625
图9 对称半桥全波整流电路及qsw工作波形
图片尺寸354x406
全桥半桥1 将电阻应变片接入电桥电路充当某一桥臂.
图片尺寸2412x2444
一族新颖的全桥_半桥组合dc_dc拓扑
图片尺寸744x703
半桥电路的运行原理
图片尺寸893x342
全桥电路图
图片尺寸952x590
交错并联对称半桥全波整流电路设计
图片尺寸337x243