半桥整流电路

半桥整流器的整流原理
图片尺寸537x147
直接接220v交流电,怎样接半桥电路,就是用两个二极管实现全波整流
图片尺寸626x398
开关电源 #半桥式 半桥式开关电源工作原理: 市电整流变为 - 抖音
图片尺寸1920x1174
ir2109半桥驱动的同步整流电路dcdc电路设计原理图与pcb
图片尺寸941x557
半桥式电源电路框图
图片尺寸1080x810
半波整流,全波整流,桥式整流电路详解
图片尺寸669x533
半桥同步整流设计报告1 电源变换拓扑方案论证 方案一:(如下图)此电路
图片尺寸625x347
单相半控桥整流电路
图片尺寸421x238
基本半桥逆变电路分析
图片尺寸993x488
整流桥模块的原理和功能 - 整流桥模块的原理和功能
图片尺寸600x400
半桥电路原理详解(单相全桥整流电路)_我的笔记
图片尺寸862x390
基于双sg3525的半桥同步整流电路
图片尺寸675x367
整流电路怎么画图
图片尺寸1516x674
如果把整流电路的结构作一些调整,可以得到一种能充分利用电能的全波
图片尺寸566x283
图3 半桥变换电路
图片尺寸1200x436
半桥同步整流设计报告
图片尺寸500x319
半桥电路的运行原理及注意问题
图片尺寸600x328
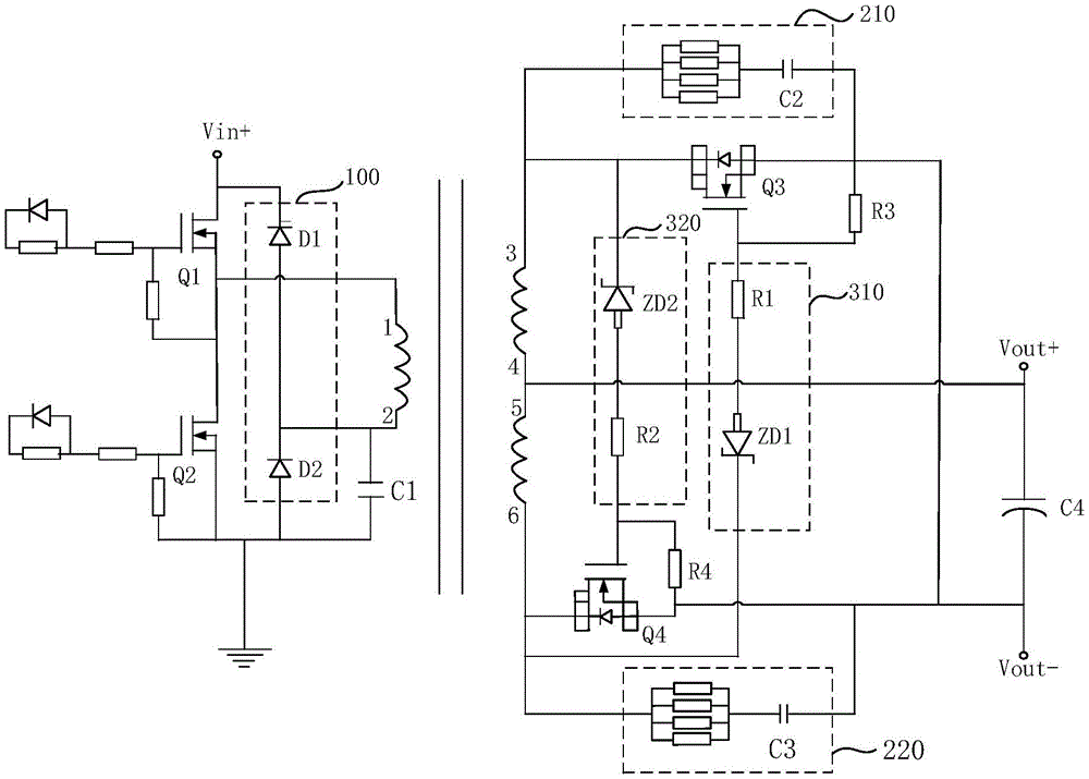
半桥自驱同步整流电路及开关电源
图片尺寸1000x715
半波整流电路图
图片尺寸585x270
交流接触器半桥起动控制电路
图片尺寸1000x618