半集中式空调系统

半集中式空调系统
图片尺寸760x472
半集中式空调系统送排风流程
图片尺寸1080x735
半集中式空调系统的特点及使用条件
图片尺寸895x505
半集中式空调系统示意图
图片尺寸760x505
集中式空调系统简介.png
图片尺寸760x566
半集中式空气调节系统的控制 p39-暖通培训讲义-筑龙暖通空调论坛
图片尺寸760x566
集中式空调系统
图片尺寸700x472
集中式空调系统组成示意图
图片尺寸760x570
洁净室厂房装修中的半集中式洁净空调系统
图片尺寸1000x556
集中空调系统原理图
图片尺寸713x438
集中空调组成原理ppt
图片尺寸800x600
建筑/土木 集中式与半集中式空调说明及特点介绍 二, 水—空气系统(半
图片尺寸893x457
半集中式空气调节系统的控制 p39-暖通培训讲义-筑龙暖通空调论坛
图片尺寸760x568
该系统除了设有集中在空调机房的空气处理设备可以处理一部分空气外
图片尺寸627x387
集中式空调系统和半集中式空调系统通常统称为中央空调系统,集中式
图片尺寸893x457
空调系统的分类 (3)半集中系统 air product training 有对新风的
图片尺寸1080x810
半集中式空气调节系统的控制 p39-暖通培训讲义-筑龙暖通空调论坛
图片尺寸760x571
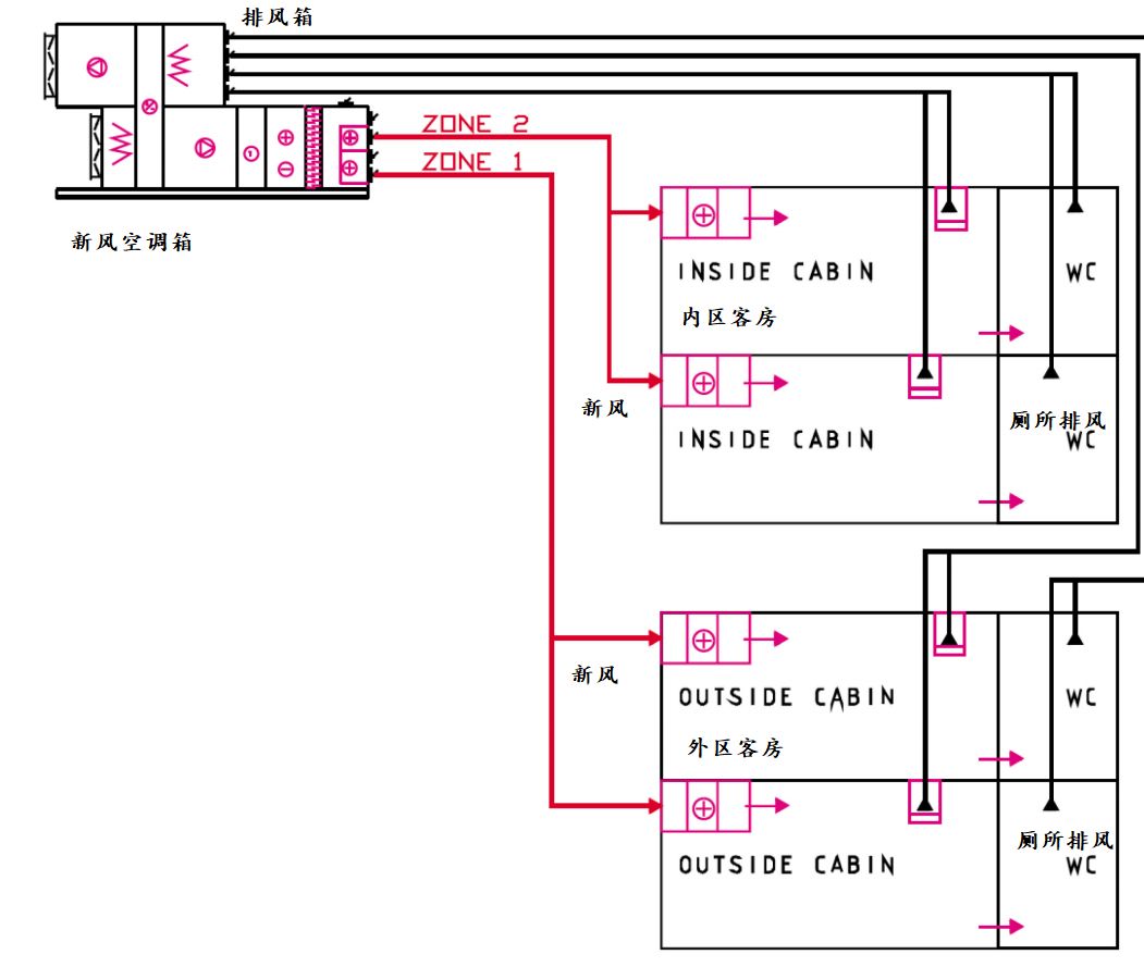
如下图,室外空气被集中采集,经过空调箱冷热处理送到室内.
图片尺寸1051x889
集中式空调系统
图片尺寸878x439
集中式空调系统
图片尺寸800x572