单母线接线图 单母线

单母线接线
图片尺寸1661x1921
单母线分段接线
图片尺寸1584x1832
单母线接线
图片尺寸1108x519
(1)单母线不分段接线 在主接线中,单母线不分段电路是比较简单的主
图片尺寸640x964
为了克服以上两种单母线分段接线的缺点,可采用如图6-19所示单母线加
图片尺寸640x770
常用的接线方式有单母线接线,单母线隔离开关或断路器分段接线,单母线
图片尺寸641x483
在主接线中,单母线不分段电路是比较简单的主接线方式,如图6-14,图6
图片尺寸640x918
单母线分段接线
图片尺寸339x263
单母线的主接线方式,基本就这么些东西
图片尺寸365x235
开关柜中单母线接线的优缺点介绍
图片尺寸700x450
单母线分段接线
图片尺寸659x495
单母线的主接线方式,基本就这么些东西
图片尺寸594x357
单母线接线图
图片尺寸444x244
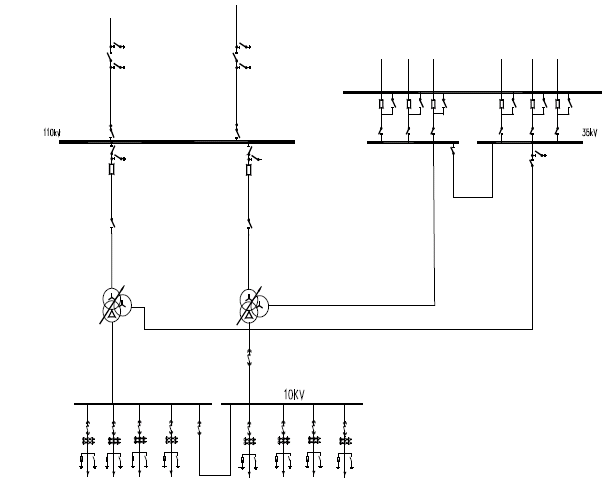
单母线接线
图片尺寸609x502
kv母线为单母线接线
图片尺寸543x419
均为单母线的接线方式
图片尺寸636x361
什么是单母线接线?
图片尺寸895x545
单母线分段接线
图片尺寸408x340
单母线接线只采用一组不带分段断路器的母线,每一回路都通过一台断路
图片尺寸248x295
是用断路器(或隔离开关)分段的单母线接线图
图片尺寸640x681