卡套式管接头标准

卡套式锥螺纹直角接头lk-t6,lk-t8
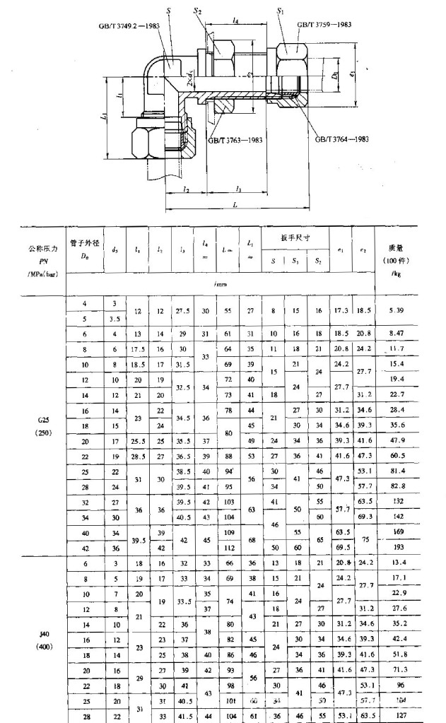
图片尺寸960x1357
伊顿永华din卡套式管接头90弯美制螺纹可调向o形圈密封柱端1co9og1do9
图片尺寸800x1032
卡套式压力表管接头
图片尺寸1530x1173
伊顿永华din卡套式管接头1c 1d直通接头 straight fittings
图片尺寸800x922
图示为卡套式管接头结构.这种管接头主要包括具有 24°锥形孔 - 抖音
图片尺寸1134x1134
不锈钢卡套接头
图片尺寸700x905
gb/t3747-1983卡套式焊接直通接头
图片尺寸779x1024
供应卡套式端直通管接头 卡套式管接头 不锈钢卡套式管接头 卡套
图片尺寸1080x1076
伊顿标准2wc 2wd卡套式焊管接头24度锥焊接管螺母焊接液压管接头
图片尺寸800x800
直供卡套式端直通接头体gb/t3733.2-1983
图片尺寸650x921
nbsanminse kst卡套螺纹侧三通1/8 1/4 3/8 1/2气动管 铜卡套接头
图片尺寸1000x1372
伊顿永华din 卡套式管接头公制螺纹胶垫密封柱端 metric thread with
图片尺寸800x973
316l304l卡套直通穿板接头368mm过板隔板隔壁卡套接头
图片尺寸750x1067
综合系列jky-b卡套式直通压力表管接头(黄铜)联接压力表专用
图片尺寸790x1085
供应优质gb3745卡套式三通管接头
图片尺寸686x939
卡套三通接头
图片尺寸2132x2975
卡套式管接头简介
图片尺寸631x1023
三通接头液压卡套式液压直通管接头活母三通弯头直通
图片尺寸750x1065
1-83卡套式铰接管接头
图片尺寸650x670
1-83卡套式三通管接头
图片尺寸650x944