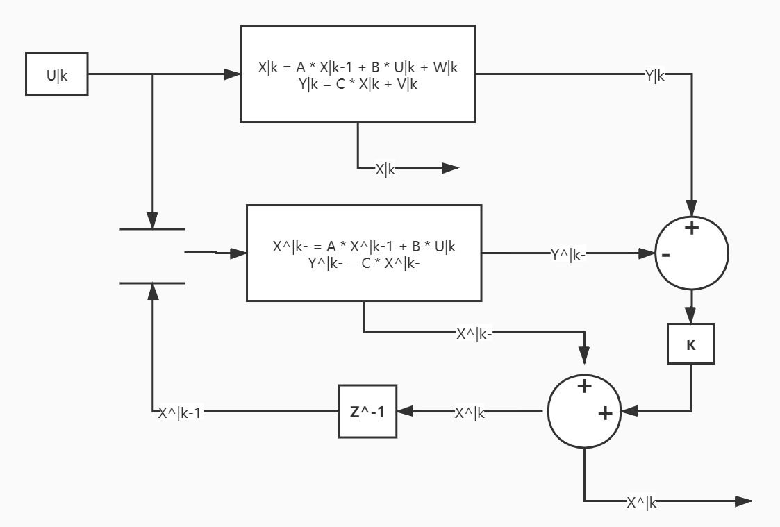
卡尔曼滤波原理图

卡尔曼滤波器
图片尺寸1144x564
卡尔曼滤波器及其应用基础pdf电子书免费下载
图片尺寸1108x665
卡尔曼滤波器中的qr
图片尺寸700x393
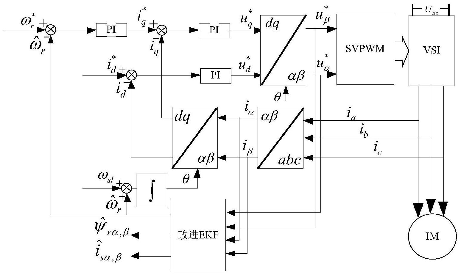
用于异步电机转速辨识的迭代扩展卡尔曼滤波的改进方法
图片尺寸1548x925
卡尔曼滤波器是wiener filter 这一个基本框架下的具体实现,或者说是
图片尺寸813x331
一种基于fpga的扩展卡尔曼滤波器电路结构设计方法与流程
图片尺寸1000x535
授之以渔: 卡尔曼滤波器 .大泻蜜 .
图片尺寸532x346
如何通俗并尽可能详细地解释卡尔曼滤波
图片尺寸942x671
用于借助于卡尔曼滤波器确定至少一个系统状态的方法与流程
图片尺寸777x1068
采用kalman滤波处理和arm7微处理器实现靶机飞行高度系统的设计
图片尺寸410x333
卡尔曼滤波互补滤波tsinghua滤波
图片尺寸988x494
卡尔曼滤波的原理与思想
图片尺寸544x660
浅谈卡尔曼滤波器
图片尺寸1123x759
卡尔曼滤波与组合导航原理—初始对准
图片尺寸1080x810
转载我对卡尔曼滤波的认识
图片尺寸583x359
卡尔曼滤波学习
图片尺寸687x322
谈谈卡尔曼滤波器
图片尺寸649x280
一种改进自适应无轨迹卡尔曼滤波转动惯量辨识方法
图片尺寸1734x1027
基于kalman滤波器实现电容式位移传感器测距的方法及其装置
图片尺寸1710x683
卡尔曼滤波—建立状态空间表达式
图片尺寸407x175