卡罗拉接线图

丰田cd机尾插接线图,下面这几张是丰田卡罗拉19款cd机尾插接线图,本人
图片尺寸1266x730
丰田卡罗拉
图片尺寸726x1005
丰田卡罗拉启动系统电路图分析
图片尺寸1080x1920
丰田卡罗拉启动系统电路图分析
图片尺寸1080x1920
找资料13款丰田卡罗拉前照灯控制电路图
图片尺寸1080x1415
动并快乐着10:最全卡罗拉(雷凌)方控按键,音响尾针接线
图片尺寸700x1515
丰田卡罗拉原厂维修手册带电路图含雷凌
图片尺寸1754x1240
丰田卡罗拉智能上车和起动系统 组合仪表电路图手册
图片尺寸2480x3508
卡罗拉恒晨导航方向盘控制线接法
图片尺寸640x1136
21款双擎卡罗拉12v电源点烟器问题
图片尺寸700x989
丰田卡罗拉原厂维修手册带电路图含雷凌
图片尺寸1754x1240
卡罗拉车载导航线材 安卓中控屏电源线用于2017corolla导航电源线
图片尺寸1500x1500
卡罗拉音响接线图
图片尺寸667x514
丰田卡罗拉can总线故障
图片尺寸2969x2362
新款丰田原车屏加装倒车影像接线示意图#框线资料库 #卡罗拉 #雷凌
图片尺寸1080x851
丰田卡罗拉空调不散热不会高速转
图片尺寸1224x1632
丰田卡罗拉
图片尺寸1080x1920
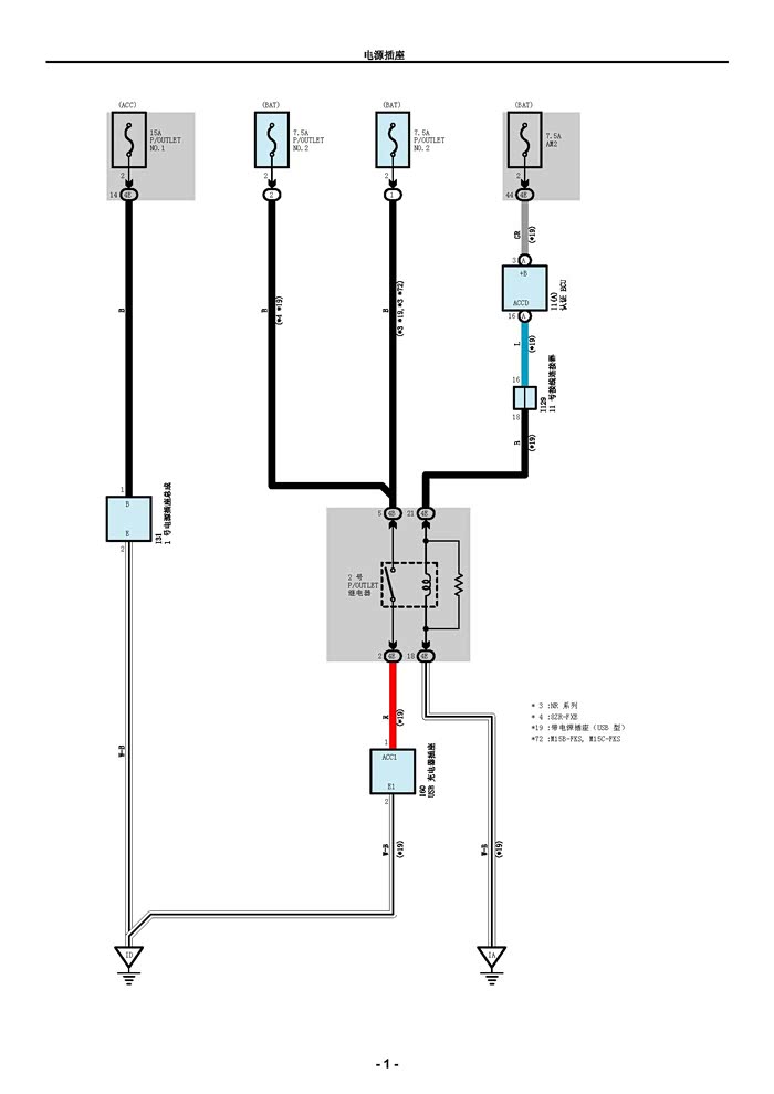
丰田卡罗拉空调照明点烟器座椅电路图手册
图片尺寸2480x3508
关于卡罗拉拆车cd的接线
图片尺寸400x710
16年丰田卡罗拉 1.6 有钥匙启动 防盗系统电路图
图片尺寸604x413