卡车刹车气路图

卡车车主及部分事故的案例调查,一些严重事故,例如挂车失火,刹车失灵
图片尺寸700x525
jz-7制动模拟示教#让技术变的更有价值 #如何看懂气路图 - 抖音
图片尺寸1280x720
气刹大都在大型货车大客车上使用,车大有空间需要的刹车力度大,使用
图片尺寸689x479
货车断气气刹原理分析
图片尺寸1080x810
三一25吊车刹车系统.三一说明书还是蛮正规,但是这图纸画的有问题.
图片尺寸1080x1920
卡车气路系统保养,卡友的省钱攻略!
图片尺寸640x487
汽车底盘制动气路知识介绍(一)_手机搜狐网
图片尺寸1020x763
货车断气气刹原理分析
图片尺寸1080x810
轻卡气制动系统-图示介绍
图片尺寸640x640
制动系统全车气路与各总成
图片尺寸679x563
东风商用车制动系统通用培训讲义 _ 卡车之家论坛
图片尺寸700x525
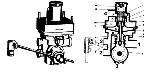
卡车的制动系统图及系统部件
图片尺寸688x453
轻卡气制动系统-图示介绍
图片尺寸640x640
聊聊半挂车之电路和气路制动系统介绍和常见问题解决 _ 卡车之家论坛
图片尺寸700x674
eq2102型卡车气路制动各部件功能及工作原理(一)
图片尺寸1230x735
半挂车制动气路布置图解
图片尺寸878x701
汽车制动气路 - 知乎
图片尺寸493x246
图中红色的管路是供气管路,分成两路,一路到abs电磁阀,一路到制动踏板
图片尺寸1123x766
货车气路基本图解及工作原理
图片尺寸618x615
重型汽车制动系统示意图
图片尺寸1000x650