卷帘门电气图纸

电动卷闸门控制原理图.pdf 5页
图片尺寸860x1218
卷帘门自动起升电路
图片尺寸980x956
卷帘门原理电路图
图片尺寸920x1302
卷帘门用单相电机,只有5 根出线,用两个3个接触点的接触器,正反转应该
图片尺寸962x609
15 pdf资料大全-datasheet
图片尺寸948x664
卷帘门电机控制电路原理图随 1 2 3 4 d 单相电动卷帘门机电气接线
图片尺寸970x641
制动器包含多个组件,主要有整流板,弹簧
图片尺寸553x554
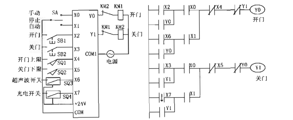
卷帘门电机控制电路原理图
图片尺寸920x650
当你家有一个车库的时候,你会想着按一下电动卷帘门
图片尺寸985x404
卷帘门电机控制电路原理图
图片尺寸920x651
基于后备电源的消防应急卷帘门控制系统方案设计
图片尺寸931x651
沪日防火卷帘门控制箱380v江西消防联动备电控制柜升降电机控制器
图片尺寸750x1060
一种三相卷帘门用电机正反转控制电路
图片尺寸1528x1130
一种防冲顶卷帘门直流电机控制器有效
图片尺寸1796x1580
单相电动卷帘门总程坏了.怎么办
图片尺寸1024x765
谁有防火卷帘门电路图图纸?
图片尺寸450x214
卷帘门单相电机接线图
图片尺寸443x299
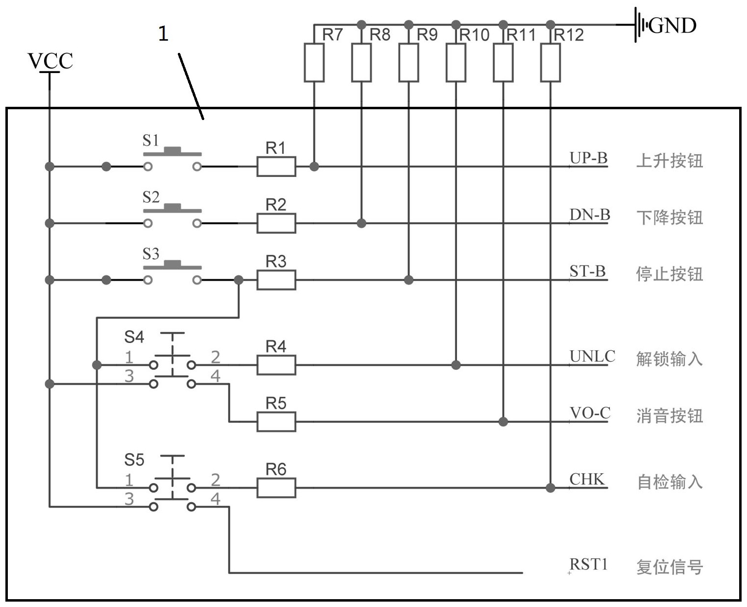
一种防火卷帘控制器按键电路
图片尺寸1525x1239
河南焦作通风卷帘门厂家报道了!#水电工 #消防工程 #消防水
图片尺寸1080x1988
两个继电器控制的卷闸门是怎么样的?如何接线?
图片尺寸512x334