压力补偿阀原理图

比例阀的压力补偿
图片尺寸554x332
小松clss系统压力补偿阀的结构原理,功能你都了解吗
图片尺寸640x508
智造概论小松clss系统压力补偿阀的结构原理及功能详解
图片尺寸790x583
限压阀
图片尺寸1242x1726
压力补偿阀及应用该压力补偿阀的压力油供给系统
图片尺寸1406x2000
压力补偿阀
图片尺寸445x550
比例阀的压力补偿
图片尺寸554x299
cn102444636a_一种挖掘机负载敏感压力补偿多路阀有效
图片尺寸2004x2226
地源热泵补水阀定压补水阀中央空调自动补水阀压力补水阀4分dn15
图片尺寸750x268
一种油缸压力补偿器缓冲回路的制作方法
图片尺寸741x1000
cn111706563a_一种基于液压马达-发电机压力补偿器的三通调速阀在审
图片尺寸1405x1339
第一节 压力控制阀
图片尺寸704x1226
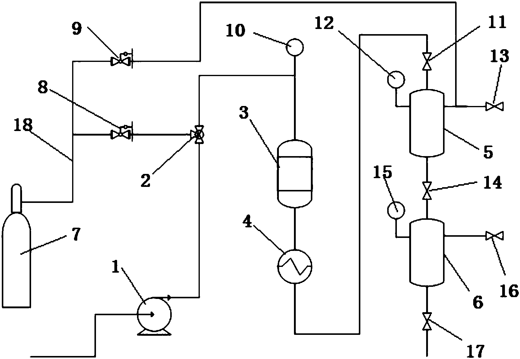
一种小型加氢反应装置高压分离器的压力补偿系统
图片尺寸1723x1189
高速注塑机射胶油缸的液压补偿回路
图片尺寸2752x1786
zzy zzy型上海自力式压力调节阀
图片尺寸499x305
是由有定差减压阀和节流阀串联而成,是进行了压力补偿的节流阀
图片尺寸616x581
包括恒压变量泵,蓄能器,压力补偿器,比例阀,梭阀,油缸
图片尺寸740x1000
一种基于液压马达-发电机压力补偿器的三通调速阀的制作方法
图片尺寸1000x953
电动压力调节阀-压力解决方案
图片尺寸639x319
请问阀后补偿多路阀的二次溢流阀有泄ls口压力的吗
图片尺寸280x251