压铆螺母图纸

压铆螺母_固乔工业科技紧固件,专业做碳钢,不锈钢汽车紧固件供应商
图片尺寸386x220
qibindsl三点式自锁压铆螺母
图片尺寸2245x1387
qib/ind bs 统一螺纹不锈钢密封压铆螺母
图片尺寸2245x1387
求购:反压铆螺母,详见图纸 数量:150万件
图片尺寸599x880
压铆螺母的制作方法
图片尺寸768x696
佰瑞特 压铆螺母/压铆件/压板螺母环保兰白锌 碳钢m2m2.
图片尺寸490x354
qib cla 铝合金压铆螺母
图片尺寸2245x1387
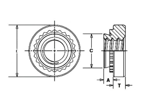
压铆螺母
图片尺寸386x258
压铆螺母m2-m12薄板螺母压板螺母钣金机箱机柜螺母螺帽掌柜推荐
图片尺寸750x300
小沉头铆螺母图纸
图片尺寸887x621
pem cla nuts 压铆螺母(公制)
图片尺寸348x314
六角铆螺母
图片尺寸539x365
大家这种压铆螺母的是怎么标注的
图片尺寸1583x763
现货供应万胜螺丝螺母 不锈钢圆形螺帽 cls压铆螺母m3m4m5m6m8m10
图片尺寸524x224
沉头铆螺母(俯视图)图纸下载_工程图纸_cad图纸 - 制造云 | 工程图纸
图片尺寸393x430
拉铆螺母开孔尺寸
图片尺寸431x572
展开全部 gb/t17880 是铆螺母的标准,根据尺寸画.
图片尺寸497x329
铆螺母,拉铆螺母图纸大全第1页 下一页 相关主题 你可能喜欢 压铆螺母
图片尺寸2381x1661
不锈钢压铆螺母clsm3m4m5m6m8m10304压板螺母铆螺母铆件
图片尺寸750x870
304小沉头竖条纹铆螺母小沉头铆螺母-m6*14 标准图纸
图片尺寸837x347