原理图

一键启停原理图!
图片尺寸960x1280
电气控制原理图.png
图片尺寸1763x992
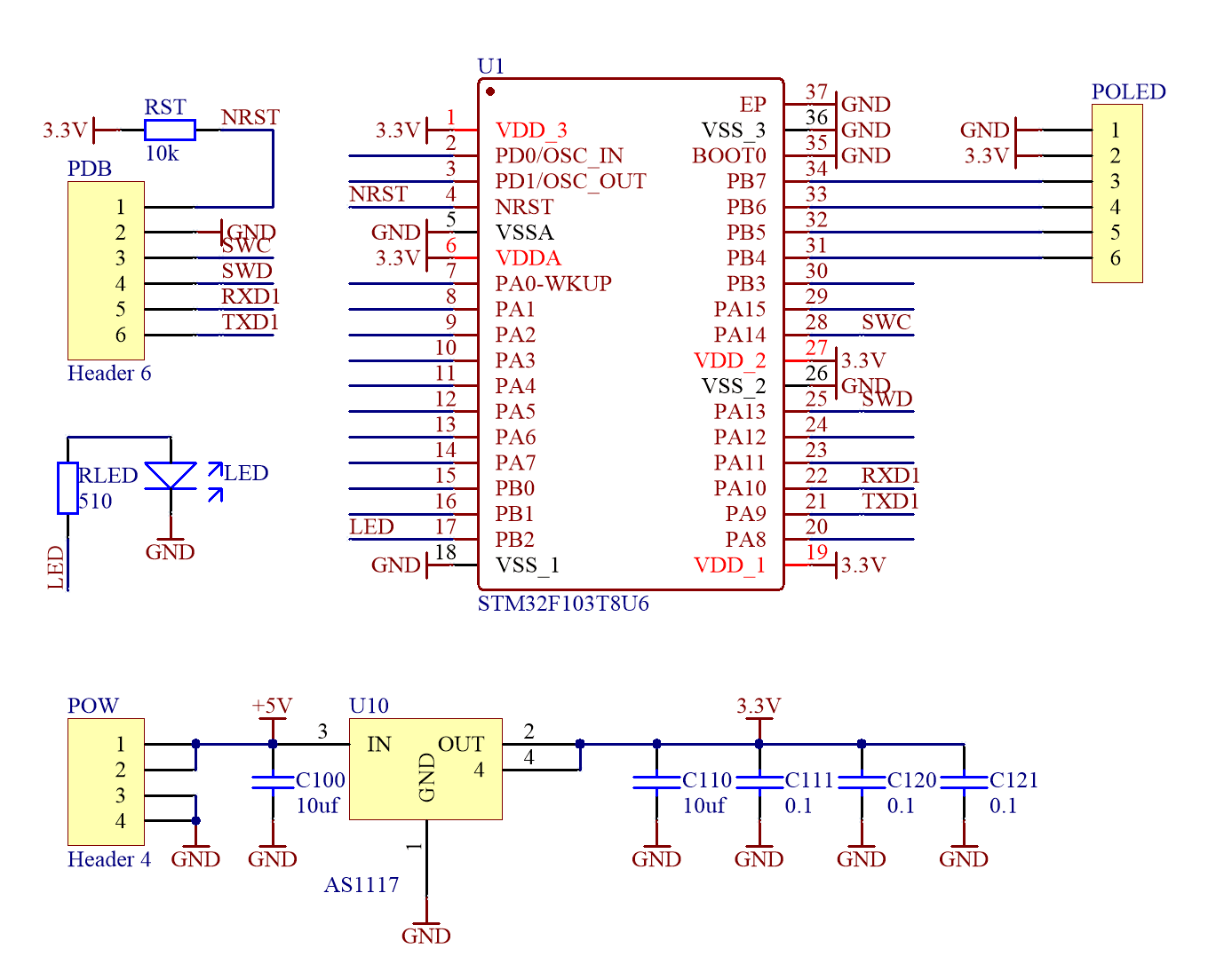
qfpn封装的f103单片机
图片尺寸1369x1104
> mp3原理图
图片尺寸1462x1049
1.4 计算机系统结构的发展
图片尺寸1388x758
原理图.jpg
图片尺寸1194x696
红外测温模块lu90614
图片尺寸1470x1037
通用液压机和插装阀液压机系统原理图rar
图片尺寸2338x1653
pwm控制的基本原理
图片尺寸640x341
51单片机晶振的原理图 - csdn
图片尺寸1177x730
开发板原理图
图片尺寸3524x2522
康佳大屏幕d系列(恒流电源)开关电源原理与维修
图片尺寸1136x2605
电源电路原理图_超声波电源电路原理图
图片尺寸1392x850
arduinounor3自己设计的原理图
图片尺寸935x535
锅炉控制系统原理图框图和流程图参考模板
图片尺寸920x1302
电子显示屏lcd1602原理图
图片尺寸3567x2355
基于51单片机的步进电机控制系统仿真程序原理图
图片尺寸2476x1953
沈阳富士电梯电气原理图
图片尺寸1700x2340
由l4970a构成的大功率开关电源_原理图论坛_单片机电路论坛_mcu资讯
图片尺寸1727x1603
原理图
图片尺寸928x580