叉杆零件

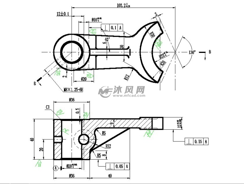
叉杆零件的加工工艺规程及加工孔Φ20的专用夹具设计-中心距103.
图片尺寸1200x800
连接件(叉杆)-爱企查
图片尺寸387x564
叉杆零件机械加工工艺及铣a面夹具设计
图片尺寸820x619
课程设计---叉杆零件的加工工艺规程及加工孔Φ20的专用夹具设计
图片尺寸450x349
叉杆零件图-a3.dwg
图片尺寸1200x800
课堂练习叉架类零件的识读
图片尺寸920x1302
青岛锻造长杆叉头 u型叉头 拖车用连接件(长20mm-2m)
图片尺寸1920x1920
9800 6800 厚料缝纫机零件大全友田 申工上蓬 任工摆压脚叉形杆
图片尺寸800x800
跪求机械制造工艺拨叉零件课程设计资料和工艺加工卡片
图片尺寸486x377
solidworks叉架类零件建模思路分享
图片尺寸619x387
叉杆零件图
图片尺寸766x535
叉杆零件(论文 dwg图纸)(带cad和文档).zip
图片尺寸1200x800
叉杆 零件图
图片尺寸764x598
叉杆零件工艺设计与工装设计_至和网zhwtk.com
图片尺寸1200x800
叉杆零件设计
图片尺寸530x478
叉杆零件的机械加工工艺及粗铣叉脚2端面的夹具设计-卧式【含cad图纸
图片尺寸422x594
拨叉零件图(航院课程设计)
图片尺寸1520x1051
1零件的形状 题目给的零件是拔叉零件,主要作用是起连接作用.
图片尺寸1087x682
万向节滑动叉零件图
图片尺寸933x583
叉杆的工艺及铣削12面夹具设计(含三维)
图片尺寸820x611