叉架类零件图例题

课堂练习叉架类零件的识读
图片尺寸920x1302
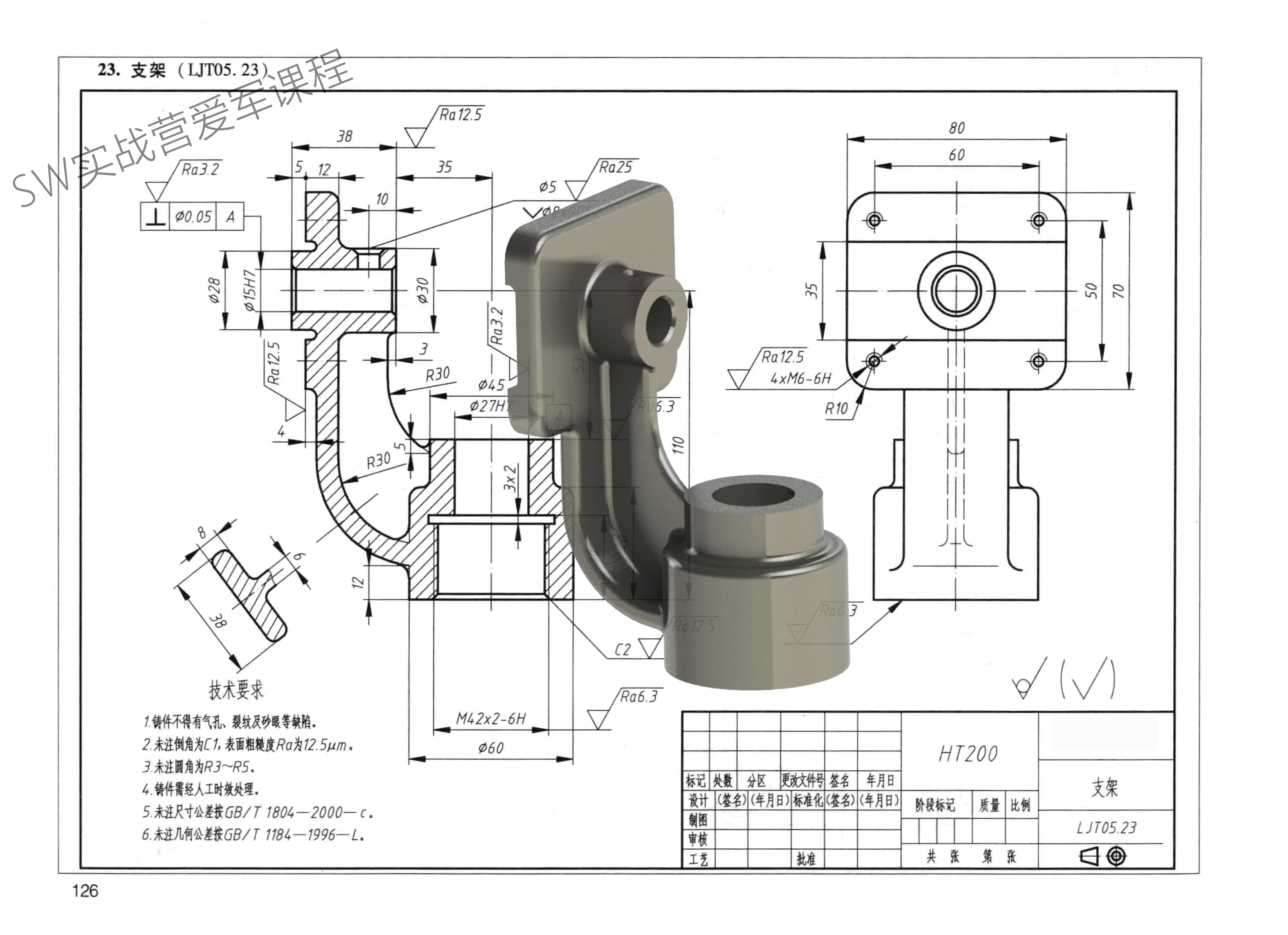
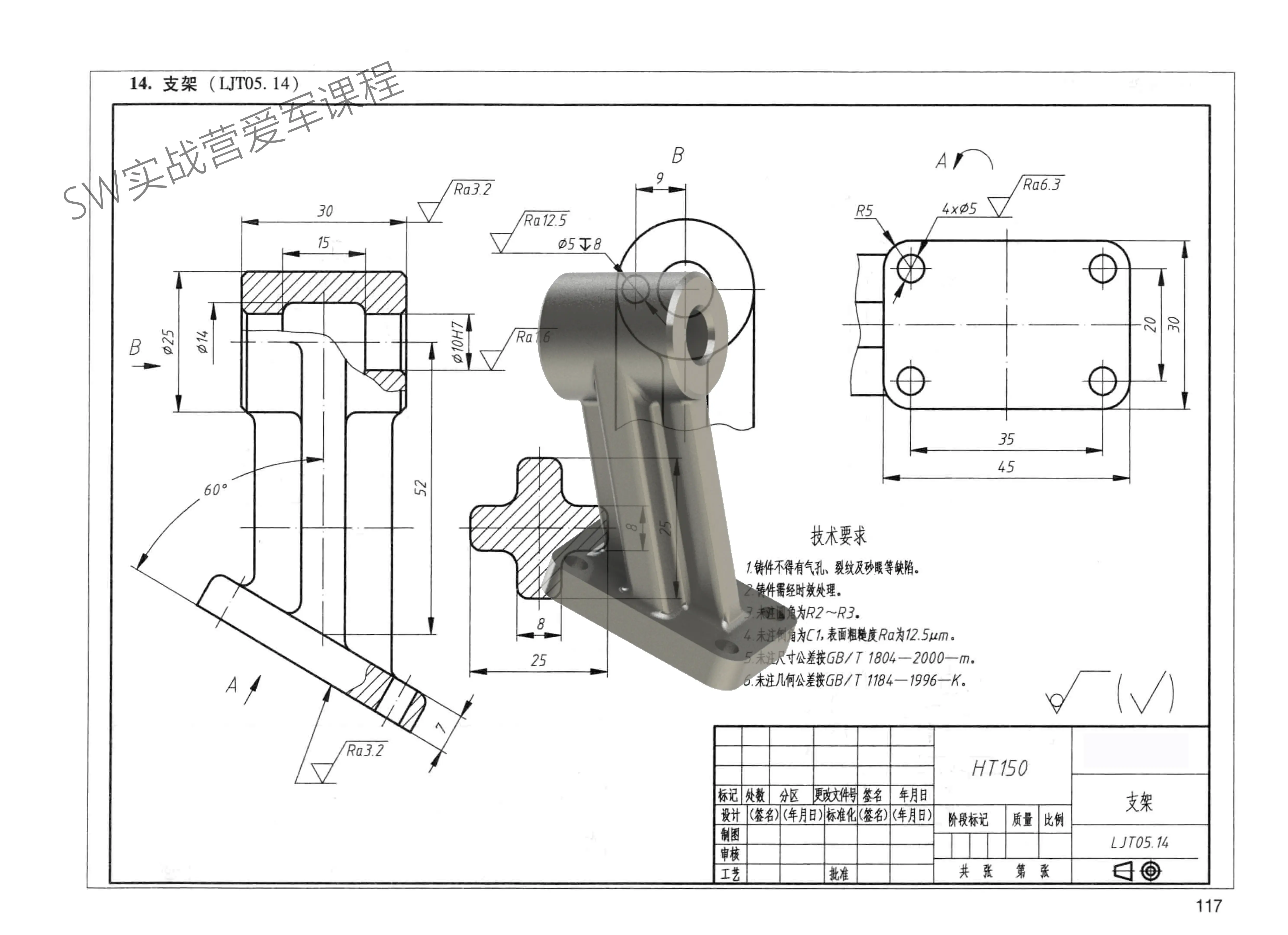
因此,对叉架类零件的设计,制造及维护都需给予高度重视.
图片尺寸4959x3600
机械制图与识图支架叉类零件标注
图片尺寸1080x1439
cad教程 | 2016年使用autocad进行叉架零件制图
图片尺寸673x499
因此,对叉架类零件的设计,制造及维护都需给予高度重视.
图片尺寸3600x4959
机械制图与识图|支架叉类零件标注 支架与叉架类零件如何制图与识图
图片尺寸1280x1706
因此,对叉架类零件的设计,制造及维护都需给予高度重视.
图片尺寸4959x3600
抄画叉架零件图标注会标注的尺寸请尽量多标注尺寸ps附件中有pdf格式
图片尺寸890x659
因此,对叉架类零件的设计,制造及维护都需给予高度重视.
图片尺寸4959x3600
因此,对叉架类零件的设计,制造及维护都需给予高度重视.
图片尺寸4959x3600
零件图的识读一(叉架类)
图片尺寸576x360
叉形支架零件图a4pdf
图片尺寸800x1132
叉架类零件-出图
图片尺寸1728x1080
solidworks叉架类零件建模思路分享
图片尺寸619x387
叉架类零件绘图分析
图片尺寸550x648
因此,对叉架类零件的设计,制造及维护都需给予高度重视.
图片尺寸4959x3600
【82案例5 上】轻松学中望3d 叉架类 建模部分
图片尺寸1659x1080
因此,对叉架类零件的设计,制造及维护都需给予高度重视.
图片尺寸4959x3600
零件图的识读三(叉架类)
图片尺寸576x360
叉架类零件-托架9
图片尺寸1440x1080